Показать сообщение отдельно
Тема: Давайте соберем все чертежи и хэндмэйды! | by -=M@kBIOs=-
Непрочитано 26.07.2006, 08:53   # 45
 
Аватар для [INH]Serg_rus
 
Регистрация: 01.09.2005
Адрес: Челябинск
Возраст: 44
Сообщений: 1,029
Байк: Echo
[INH]Serg_rus вне форума
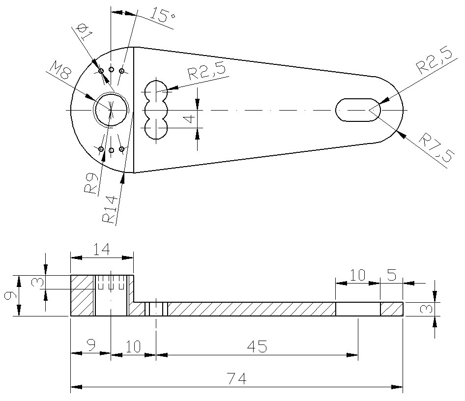
Давненько в этой теме не было новых сообщений. Предлагаю вашему вниманию чертеж переходников с 4-х болтового крепления маги на ви. Я слизал дизайн с аналогичных переходинков Heatsink. Однако, я делал чертеж по единственной фотографии, которую вы можете увидеть на странице Котова. Вчера один из моих друзей поставил себе переходники сделанные по моим чертежам, встали отлично.
Рекомендуемый материал -- сталь. Если планируется изготовление из алюминия, следует увеличить толщину базовой пластины до 5 мм.
Миниатюры
Нажмите на изображение для увеличения
Название: __________________139.jpg
Просмотров: 10988
Размер:	87.3 Кб
ID:	12154  
Цитата