Мастерская Сломал детальку? Или придумал, как починить другую? Пиши сюда!
    Опции темы Опции просмотра
Нужна ваша помощь! | by Тошка
Prev Предыдущее сообщение   Следующее сообщение Next
Непрочитано 24.01.2007, 18:38   # 1
 
Аватар для Тошка
 
Регистрация: 19.08.2004
Адрес: Питер/Охта
Сообщений: 466
Отправить сообщение для Тошка с помощью ICQ
Тошка вне форума
По умолчанию Нужна ваша помощь!
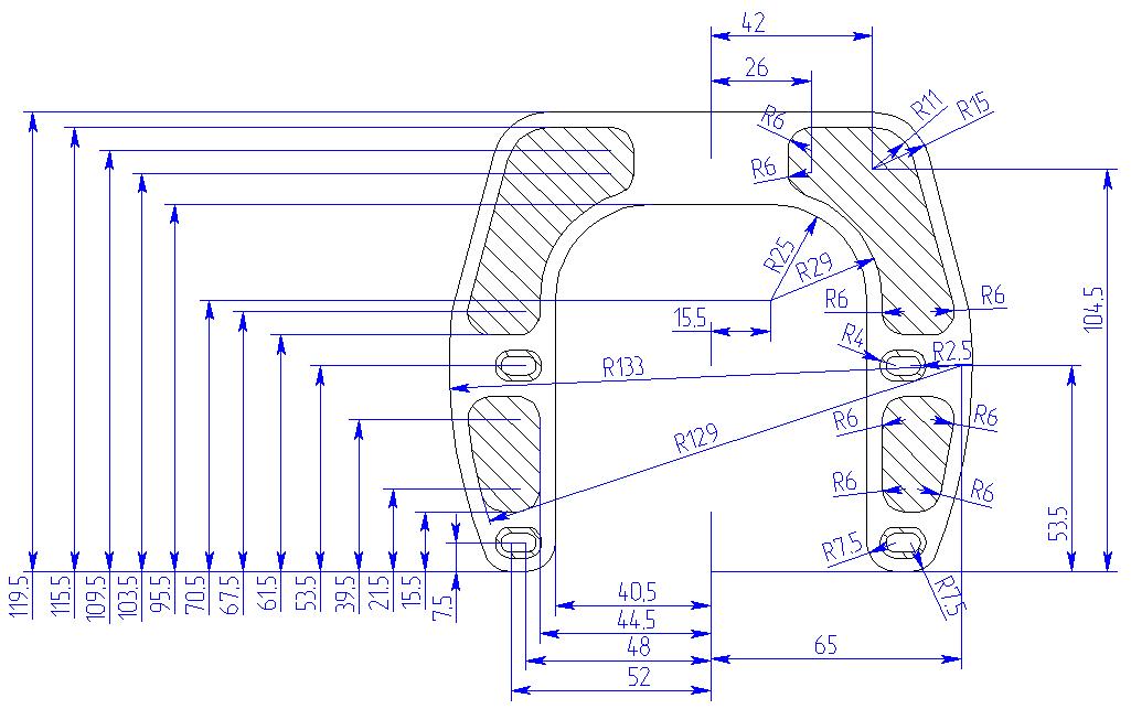
Помню сдесь кто то выкладывал чертёж (фото ниже)бустера Echo Control. У меня такая просьба к создателю , если у тебя остались исходники этого чертежа в формате Акада или Солида , выложи пожалуйста их сюда. Интересует сама трёхмерная модель. Или может ктонибудь сможет быстренько набросать по готовому чертежу трёхмерную модельку в Солиде ? Всем заранее спасибо!
Миниатюры
Нажмите на изображение для увеличения
Название: echofinal_201.jpg
Просмотров: 371
Размер:	99.1 Кб
ID:	15518   Нажмите на изображение для увеличения
Название: echo3d_261_928.jpg
Просмотров: 773
Размер:	42.7 Кб
ID:	15519  
Цитата
Нужна ваша помощь! | by Тошка
 


Ваши права в разделе
Вы не можете создавать новые темы
Вы не можете отвечать в темах
Вы не можете прикреплять вложения
Вы не можете редактировать свои сообщения

BB коды Вкл.
Смайлы Вкл.
[IMG] код Вкл.
HTML код Выкл.

Быстрый переход


Часовой пояс GMT +4, время: 17:44.


Powered by vBulletin® Version 3.8.4
Copyright ©2000 - 2025, Jelsoft Enterprises Ltd. Перевод: zCarot