Мастерская Сломал детальку? Или придумал, как починить другую? Пиши сюда!
Ответить
Перейти к новому Перейти к новому   Опции темы Опции просмотра
Нужен нормальный чертеж бустера под вии | by <zzz>
Непрочитано 13.03.2008, 01:01   # 1
 
Аватар для <zzz>
 
Регистрация: 23.11.2006
Адрес: Барановичи (Беларусь)
Сообщений: 423
Отправить сообщение для <zzz> с помощью ICQ
<zzz> вне форума
По умолчанию Нужен нормальный чертеж бустера под вии
У меня крепы под 4 болта, растояние между перьев 100мм, буду ставить переходники по чертежу с мастерской, те чертежы не пожходят по расстоянию между перьев, и хз какое нужно на сомом деле, может есть у кого нормальные чертеж?, рисовать самому не вариант, нужно срочно отдать чертеж токарю.
Цитата
Непрочитано 13.03.2008, 01:21   # 2
 
Аватар для Мачетто
 
Регистрация: 28.01.2007
Адрес: г. Москва ZAOдно
Возраст: 36
Сообщений: 640
Байк: Англичанка в китайских побрякушках
Отправить сообщение для Мачетто с помощью ICQ
Мачетто вне форума
вот так кажись
Миниатюры
Нажмите на изображение для увеличения
Название: 0_008_159.jpg
Просмотров: 1836
Размер:	31.5 Кб
ID:	22915   Нажмите на изображение для увеличения
Название: 0_007_105.jpg
Просмотров: 522
Размер:	99.1 Кб
ID:	22916   Нажмите на изображение для увеличения
Название: 0_004_882.jpeg
Просмотров: 1821
Размер:	67.0 Кб
ID:	22917  
Цитата
Непрочитано 13.03.2008, 01:22   # 3
 
Аватар для Мачетто
 
Регистрация: 28.01.2007
Адрес: г. Москва ZAOдно
Возраст: 36
Сообщений: 640
Байк: Англичанка в китайских побрякушках
Отправить сообщение для Мачетто с помощью ICQ
Мачетто вне форума
б*я под вии же нужны
Цитата
Непрочитано 13.03.2008, 01:25   # 4
 
Аватар для Мачетто
 
Регистрация: 28.01.2007
Адрес: г. Москва ZAOдно
Возраст: 36
Сообщений: 640
Байк: Англичанка в китайских побрякушках
Отправить сообщение для Мачетто с помощью ICQ
Мачетто вне форума
воть )
Миниатюры
Нажмите на изображение для увеличения
Название: 0_006_266.jpg
Просмотров: 1843
Размер:	64.7 Кб
ID:	22918   Нажмите на изображение для увеличения
Название: 0_005_127.jpg
Просмотров: 1794
Размер:	36.0 Кб
ID:	22919  
Цитата
Непрочитано 13.03.2008, 01:56   # 5
 
Аватар для <zzz>
 
Регистрация: 23.11.2006
Адрес: Барановичи (Беларусь)
Сообщений: 423
Отправить сообщение для <zzz> с помощью ICQ
<zzz> вне форума
не катят эти
Цитата
Непрочитано 13.03.2008, 02:00   # 6
 
Аватар для <zzz>
 
Регистрация: 23.11.2006
Адрес: Барановичи (Беларусь)
Сообщений: 423
Отправить сообщение для <zzz> с помощью ICQ
<zzz> вне форума
я бы делал по последнему чертежу, но не факт что 86мм хватит между перьев, сказать просто делай до 120мм не могу, так как меняются и другие размеры тогда.
Цитата
Непрочитано 13.03.2008, 02:12   # 7
 
Аватар для Мачетто
 
Регистрация: 28.01.2007
Адрес: г. Москва ZAOдно
Возраст: 36
Сообщений: 640
Байк: Англичанка в китайских побрякушках
Отправить сообщение для Мачетто с помощью ICQ
Мачетто вне форума
а чем первый ненравится?
Цитата
Непрочитано 13.03.2008, 02:15   # 8
 
Аватар для <zzz>
 
Регистрация: 23.11.2006
Адрес: Барановичи (Беларусь)
Сообщений: 423
Отправить сообщение для <zzz> с помощью ICQ
<zzz> вне форума
вроде разобрался , 1-ый удлинню на 10мм
Цитата
Непрочитано 13.03.2008, 02:23   # 9
 
Аватар для ZerO
 
Регистрация: 07.12.2003
Адрес: Москва(Латыркино(с))
Сообщений: 2,684
Отправить сообщение для ZerO с помощью ICQ
ZerO вне форума
Хоть бы спасибо сказал фортису
Цитата
Непрочитано 13.03.2008, 05:48   # 10
 
Аватар для RUSJIaN
 
Регистрация: 06.12.2005
Адрес: Revda
Сообщений: 506
Отправить сообщение для RUSJIaN с помощью ICQ
RUSJIaN вне форума
А самому сделать чертеж слабо, ты ведь для себя стараешься. И как ты собрался точить бустер у токаря
Цитата
Непрочитано 13.03.2008, 12:01   # 11
 
Аватар для <zzz>
 
Регистрация: 23.11.2006
Адрес: Барановичи (Беларусь)
Сообщений: 423
Отправить сообщение для <zzz> с помощью ICQ
<zzz> вне форума
Fortis cпасибо
ZerO спасибо что напомнил
ruslantrial самому лень, ну токарю-фрезеровщику, пристал ко мне
Цитата
Непрочитано 13.03.2008, 12:03   # 12
 
Аватар для <zzz>
 
Регистрация: 23.11.2006
Адрес: Барановичи (Беларусь)
Сообщений: 423
Отправить сообщение для <zzz> с помощью ICQ
<zzz> вне форума
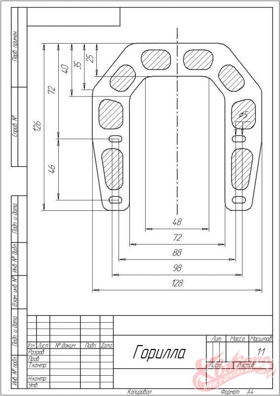
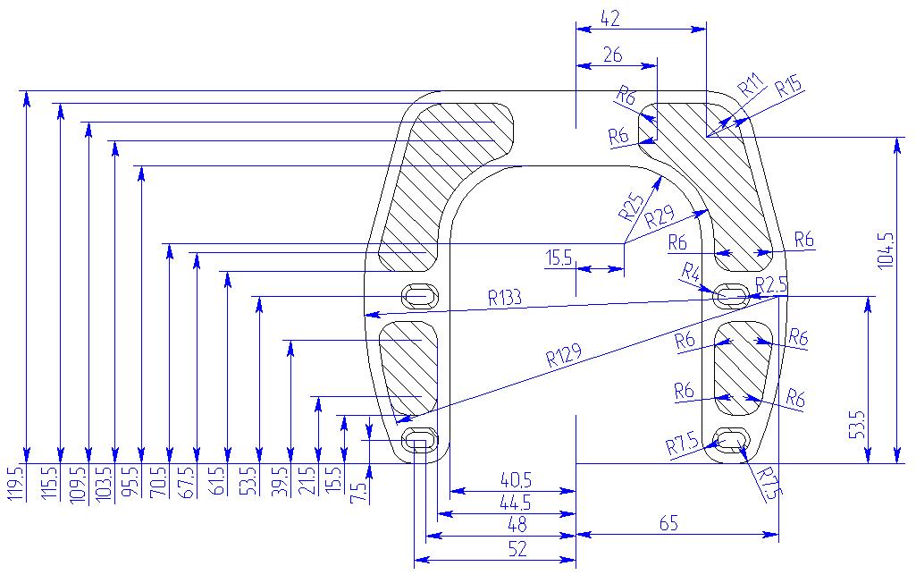
вот под вии первый:
http://www.ii4.ru/viewer.php?id=3750...i pod vii).JPG
добавил 1см, теперь универсальный бустер
Цитата
Нужен нормальный чертеж бустера под вии | by <zzz>
Ответить


Ваши права в разделе
Вы не можете создавать новые темы
Вы не можете отвечать в темах
Вы не можете прикреплять вложения
Вы не можете редактировать свои сообщения

BB коды Вкл.
Смайлы Вкл.
[IMG] код Вкл.
HTML код Выкл.

Быстрый переход


Часовой пояс GMT +4, время: 19:00.


Powered by vBulletin® Version 3.8.4
Copyright ©2000 - 2026, Jelsoft Enterprises Ltd. Перевод: zCarot