Статьи и Рассказы Тебе есть что поведать миру? Напиши рассказ или статью, пусть все узнают, о чем ты думаешь!
Ответить
Перейти к новому Перейти к новому   Опции темы Опции просмотра
Верните чертежи!!! | by Rfdey
Непрочитано 30.11.2004, 00:31   # 1
 
Аватар для Rfdey
 
Регистрация: 28.01.2004
Адрес: Таллинн
Сообщений: 277
Rfdey вне форума
По умолчанию Верните чертежи!!!
Не знал куда запостить - пишу сюда. Если что перенесите!
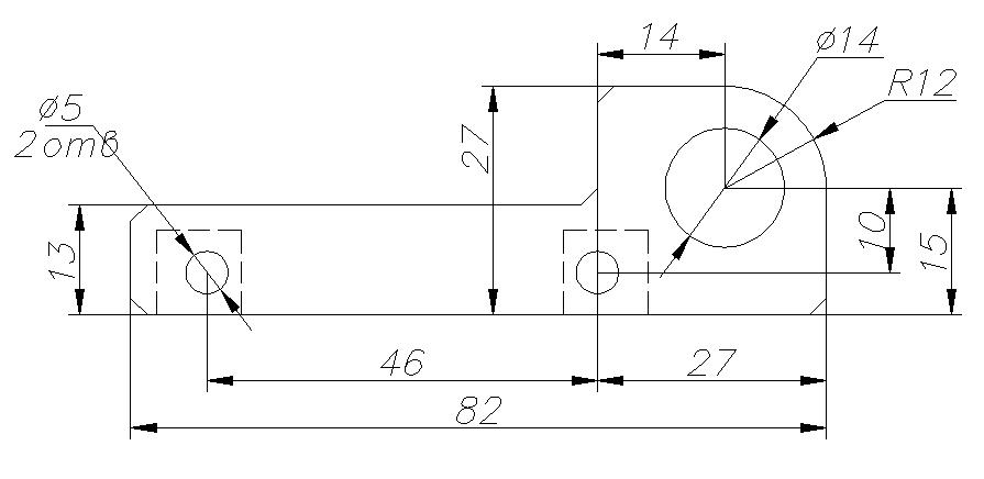
Вообщем, на сайте в статье про переходник с креплений под магуру на крепление под вии не открывается чертеж и фотка. Ув. автор статьи выложи plz, или скиньте кто-нибудь у кого завалялся!!! Очень надо!!!
Зарание спасибо!!!
Цитата
Непрочитано 06.06.2005, 00:06   # 2
 
Аватар для -=M@kBIOs=-
 
Регистрация: 09.05.2005
Адрес: St.Petersburg/ Ispolkom on German street
Сообщений: 153
-=M@kBIOs=- вне форума
[/img]
Миниатюры
Нажмите на изображение для увеличения
Название: 4-vi_adapter_296.jpg
Просмотров: 3001
Размер:	34.6 Кб
ID:	3028  
Цитата
Верните чертежи!!! | by Rfdey
Ответить


Ваши права в разделе
Вы не можете создавать новые темы
Вы не можете отвечать в темах
Вы не можете прикреплять вложения
Вы не можете редактировать свои сообщения

BB коды Вкл.
Смайлы Вкл.
[IMG] код Вкл.
HTML код Выкл.

Быстрый переход


Часовой пояс GMT +4, время: 20:20.


Powered by vBulletin® Version 3.8.4
Copyright ©2000 - 2026, Jelsoft Enterprises Ltd. Перевод: zCarot