Мастерская Сломал детальку? Или придумал, как починить другую? Пиши сюда!
Ответить
Перейти к новому Перейти к новому   Опции темы Опции просмотра
сделал себе бустер, а он не подходит | by bubl
Непрочитано 23.03.2007, 11:13   # 1
 
Аватар для bubl
 
Регистрация: 26.07.2006
Адрес: москва
Сообщений: 63
Отправить сообщение для bubl с помощью ICQ
bubl вне форума
По умолчанию сделал себе бустер, а он не подходит
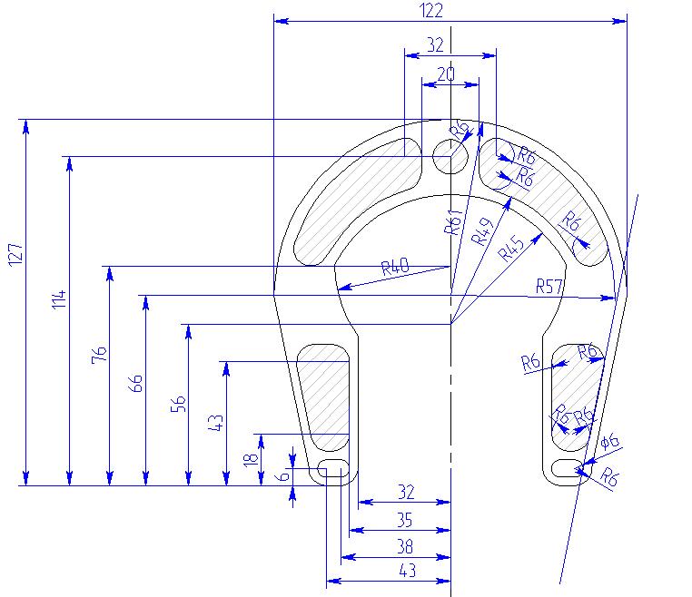
сделал себе бустер вот такой - http://bubl.gallery.ru/photoalbums/3...2&viewsize=big вот по этому чертежу !!! места где он крепиться уже !!! приложил к раме !!
Миниатюры
Нажмите на изображение для увеличения
Название: booster_v2_140_902_163.jpg
Просмотров: 1763
Размер:	64.7 Кб
ID:	16658  
Цитата
Непрочитано 23.03.2007, 11:26   # 2
 
Аватар для Banifaci
 
Регистрация: 10.03.2004
Адрес: Moscow - Fryazino
Возраст: 38
Сообщений: 1,207
Байк: M5
Banifaci вне форума
ну типа молодец
Цитата
Непрочитано 23.03.2007, 12:48   # 3
 
Аватар для Тошка
 
Регистрация: 19.08.2004
Адрес: Питер/Охта
Сообщений: 466
Отправить сообщение для Тошка с помощью ICQ
Тошка вне форума
Ну ты даёшь блин... понятное дело что надо было замерить расстояние между отверстиями на своей раме. они везде разные.
Цитата
Непрочитано 23.03.2007, 14:17   # 4
 
Аватар для Сумасшедший_гном
 
Регистрация: 12.02.2006
Адрес: Поклонка
Сообщений: 2,784
Записей в дневнике: 6
Отправить сообщение для Сумасшедший_гном с помощью ICQ
Сумасшедший_гном вне форума
некрасивый какой-то)) но за старания респект - я бы и такой не смог
Цитата
Непрочитано 23.03.2007, 22:18   # 5
 
Аватар для ReUA (Static)
 
Регистрация: 19.03.2006
Адрес: Украина, Донецк
Сообщений: 1,036
Отправить сообщение для ReUA (Static) с помощью ICQ
ReUA (Static) вне форума
выглядит пуленепробиваемым
Цитата
Непрочитано 24.03.2007, 01:17   # 6
 
Аватар для MEXXиканец
 
Регистрация: 15.07.2005
Адрес: Санкт-Петербург
Сообщений: 249
Отправить сообщение для MEXXиканец с помощью ICQ
MEXXиканец вне форума
на чертеже он гораздо приятнее выглядит...
Цитата
Непрочитано 24.03.2007, 01:46   # 7
 
Аватар для -=Coca-Coel7=-
 
Регистрация: 05.09.2006
Адрес: SPb
Возраст: 38
Сообщений: 1,094
Байк: разный китайский hi-end
Отправить сообщение для -=Coca-Coel7=- с помощью ICQ
-=Coca-Coel7=- вне форума
я бы с таким не стал всё равно
Цитата
Непрочитано 24.03.2007, 02:21   # 8
 
Аватар для bubl
 
Регистрация: 26.07.2006
Адрес: москва
Сообщений: 63
Отправить сообщение для bubl с помощью ICQ
bubl вне форума
не красивый , это я его ещё не обработал напильником и т.д. !!! значит буду переделывать !!!
Цитата
Непрочитано 24.03.2007, 02:31   # 9
 
Аватар для -=Coca-Coel7=-
 
Регистрация: 05.09.2006
Адрес: SPb
Возраст: 38
Сообщений: 1,094
Байк: разный китайский hi-end
Отправить сообщение для -=Coca-Coel7=- с помощью ICQ
-=Coca-Coel7=- вне форума
а купить из принципа ни-ни?)))
Цитата
Непрочитано 24.03.2007, 09:03   # 10
 
Аватар для [INH]Serg_rus
 
Регистрация: 01.09.2005
Адрес: Челябинск
Возраст: 44
Сообщений: 1,029
Байк: Echo
[INH]Serg_rus вне форума
Чертеж самому не судьба сделать? тебе нужны всего 2 размера: расстояние между креплениями и расстояние от линии креплений до края колеса (добавить 5...10 мм).
"сделал себе бустер, а он не подходит" -- М А Л А Д Е Ц ... теперь выточи под этот бустер раму
Цитата
Непрочитано 24.03.2007, 12:15   # 11
 
Аватар для bubl
 
Регистрация: 26.07.2006
Адрес: москва
Сообщений: 63
Отправить сообщение для bubl с помощью ICQ
bubl вне форума
займусь на досуге !!! эго делать то 1 день !!!
Цитата
Непрочитано 25.03.2007, 14:29   # 12
 
Аватар для Fedorook
 
Регистрация: 04.12.2005
Адрес: Москва, район НаКуркино
Сообщений: 1,106
Отправить сообщение для Fedorook с помощью ICQ
Fedorook вне форума
Когда сделаешь - выложи, как он получился
Цитата
сделал себе бустер, а он не подходит | by bubl
Ответить


Ваши права в разделе
Вы не можете создавать новые темы
Вы не можете отвечать в темах
Вы не можете прикреплять вложения
Вы не можете редактировать свои сообщения

BB коды Вкл.
Смайлы Вкл.
[IMG] код Вкл.
HTML код Выкл.

Быстрый переход


Часовой пояс GMT +4, время: 18:35.


Powered by vBulletin® Version 3.8.4
Copyright ©2000 - 2026, Jelsoft Enterprises Ltd. Перевод: zCarot