F.A.Q. У тебя, наверное, появилось много вопросов? Задай их в этом форуме, и тебе обязательно ответят!
Ответить
Перейти к новому Перейти к новому   Опции темы Опции просмотра
Карбюратор Varajet II | by pozorrro!
Непрочитано 28.02.2010, 02:54   # 1
 
Аватар для pozorrro!
 
Регистрация: 20.11.2003
Адрес: Питер
Сообщений: 1,606
Отправить сообщение для pozorrro! с помощью ICQ
pozorrro! вне форума
По умолчанию Карбюратор Varajet II
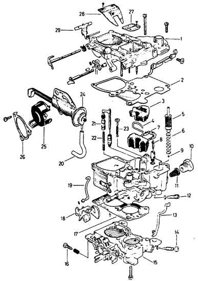
Карбюратор вараджет 2.
Это очень важно, просьба не удалять. Это не спам.
Если че - продаю. С коллекторами. Валяется в манте ИМХО.
The Manta was normally equipped with a 1.6-1.9 litre CIH engines.

The Manta Volta!

Код двигателя 20N 20N 20S 20S
Мощность квт. 66 66 74 74
Каталожный номер 96008005 96008006 96007001 96007002
Диаметр дроссельной заслонки мм.
II камера 35 35 35 35
II камера 46 46 46 46
Диаметр воздушного входного отверствия мм.
I камера 28 28 28 28
II камера - - - -
Главный жиклер, диаметр мм.
I камера 177 177 177 177
II камера запрессован запрессован запрессован запрессован
Игла частичной нагрузки, диаметр мм.
I камера 124 124 12 12
II камера не подлежит
замене не подлежит
замене не подлежит
замене не подлежит
замене
Жиклер холостого хода, диаметр мм. запрессован запрессован запрессован запрессован
Отсекающий жиклер системы холостого хода есть есть - -
Обороты холостого хода, об/мин 800-850 800-850 800-850 800-850
Содержание СО % 1,0-2,0 1,0-2,0 1,0-2,0 1,0-2,0
Разряжение в системе зажигания, кПА 0,0-2,0 0,0-2,0 0,0-2,0 0,0-2,0
Быстрые обороты холостого хода 2000-2100 2000-2100 2000-2100 2000-2100
Зазор пусковой заслонки мм. 3,5 3,5 4 4
Установка плунжера насоса, мм. 11,3 11,3 10,8 10,8
Зазор рычага тяги, мм. 0,2-0,4 0,2-0,4 0,2-0,4 0,2-0,4
Установка пускового устройства 1 отметка шкалы
после "L" 1 отметка шкалы
после "L" Центральная отметка Центральная отметка

Величина зазора заслонки, мм. 0,8+-0,05 -
Величина зазора пусковой заслонки, мм. 4,2-4,6 -
Величина зазора А - 3,7-4,3
Величина зазора В - 2,7-3,3
Величина зазора С - 9,5-10,5
Расположение крышки пускового устройства - центр. отм.
Свободный ход заслонки - 0б1-0б3
Вакуумметрическое давление в системе зажигания
на холостом ходу, мбар 1-20 0-2,0 (уст 1,0)
Обороты холостого хода, об/мин 800-850 800-850
Содержание СО, % 1,0-1,5 1,0-1,5
Выпуск смеси холостого хода, диаметр мм. 1,5 -
Количество впрыскиваемого топлива, см3/10ходов 5,5-8,5 -
Свободный ход между лапкой скольжения и
установочным винтом 0,5 -

Все должны это знать.
cih
Edvard Cih.

Post edit: Snejanna Cih
Post mastering: Defran Mercedef
Миниатюры
Нажмите на изображение для увеличения
Название: foto-4a-75.jpg
Просмотров: 1449
Размер:	32.4 Кб
ID:	32931   Нажмите на изображение для увеличения
Название: var2 (1).jpg
Просмотров: 2282
Размер:	44.4 Кб
ID:	32932   Нажмите на изображение для увеличения
Название: varajet2.jpg
Просмотров: 1896
Размер:	39.2 Кб
ID:	32933  
Цитата
Непрочитано 28.02.2010, 03:02   # 2
На Скорпио
 
Аватар для CraZzY
 
Регистрация: 06.09.2008
Адрес: Питер,Охта-Тим
Возраст: 36
Сообщений: 4,030
Записей в дневнике: 7
Байк: Ozonys Curve V2 \Trialtech \Echo \Zhi
CraZzY вне форума
хммм,на скорп нормал за*башить можНО?
Цитата
Непрочитано 28.02.2010, 03:18   # 3
 
Аватар для pozorrro!
 
Регистрация: 20.11.2003
Адрес: Питер
Сообщений: 1,606
Отправить сообщение для pozorrro! с помощью ICQ
pozorrro! вне форума
Цитата:
Сообщение от CraZzY Посмотреть сообщение
хммм,на скорп нормал за*башить можНО?
Надо поискать инфу?
Цитата
Непрочитано 28.02.2010, 03:20   # 4
На Скорпио
 
Аватар для CraZzY
 
Регистрация: 06.09.2008
Адрес: Питер,Охта-Тим
Возраст: 36
Сообщений: 4,030
Записей в дневнике: 7
Байк: Ozonys Curve V2 \Trialtech \Echo \Zhi
CraZzY вне форума
да не,мне ж так,только чтоб до хортицы дотянул,а то на инжекторе жрет больше......
Цитата
Непрочитано 28.02.2010, 03:22   # 5
 
Аватар для pozorrro!
 
Регистрация: 20.11.2003
Адрес: Питер
Сообщений: 1,606
Отправить сообщение для pozorrro! с помощью ICQ
pozorrro! вне форума
Цитата:
Сообщение от crazzy Посмотреть сообщение
да не,мне ж так,только чтоб до хортицы дотянул,а то на инжекторе жрет больше......
Я наоборот инжектор поставил. От рекорда.
Smoking weed!
Последний раз редактировалось pozorrro!; 28.02.2010 в 03:29. Причина: yes we did
Цитата
Непрочитано 28.02.2010, 04:17   # 6
 
Аватар для Мачетто
 
Регистрация: 28.01.2007
Адрес: г. Москва ZAOдно
Возраст: 36
Сообщений: 640
Байк: Англичанка в китайских побрякушках
Отправить сообщение для Мачетто с помощью ICQ
Мачетто вне форума
коллектора от какой машины то?
Цитата
Непрочитано 28.02.2010, 04:22   # 7
 
Аватар для pozorrro!
 
Регистрация: 20.11.2003
Адрес: Питер
Сообщений: 1,606
Отправить сообщение для pozorrro! с помощью ICQ
pozorrro! вне форума
Цитата:
Сообщение от Fortis Посмотреть сообщение
коллектора от какой машины то?
От Opel Manta.
Цитата
Непрочитано 28.02.2010, 13:15   # 8
человек-загадка
 
Аватар для ostin
 
Регистрация: 03.10.2005
Адрес: Санкт-Петербург
Возраст: 38
Сообщений: 4,916
Байк: Кобра
Отправить сообщение для ostin с помощью ICQ
ostin вне форума
ааааааа!!!! он вернулся!!!!

на 3ей фотке - это вообще хэдкраб какой-то )))
Цитата
Непрочитано 28.02.2010, 15:15   # 9
кусачий
 
Аватар для vampir
 
Регистрация: 03.02.2004
Адрес: Вологда
Возраст: 38
Сообщений: 6,386
Записей в дневнике: 33
Байк: разный мод
Отправить сообщение для vampir с помощью ICQ
vampir вне форума
ооуууууу. какие люди тут появились! привет Миха)))
Цитата
Непрочитано 28.02.2010, 16:18   # 10
 
Аватар для xopow
 
Регистрация: 22.04.2007
Адрес: самый ЮГ СПб - Купчино!
Возраст: 39
Сообщений: 377
Записей в дневнике: 1
Байк: mod. fluo green rims.
Отправить сообщение для xopow с помощью ICQ
xopow вне форума
смысла в нём нет.... как и в пирбургах..... разве что 2Е и то не все из этой серии....
прощё купить вазовский солекс и через проставку поставить...

2 крэйзи: с какого момента вдруг карб меньше льёт, чем инжектор (если оба в исправном состоянии)???

2 Миха: какой инж воткнул?! приезжай на моего мамонта смотреть)))) кадетт "мутант"
Цитата
Непрочитано 28.02.2010, 21:40   # 11
Ильнур
 
Аватар для JumpingMaster
 
Регистрация: 24.08.2004
Адрес: Сан Диего
Возраст: 40
Сообщений: 7,757
Записей в дневнике: 16
Байк: Zoo! Pitbull 06.
Отправить сообщение для JumpingMaster с помощью ICQ
JumpingMaster вне форума
бааааатбшки))) Возвращение Легенды, Миш?
Цитата
Карбюратор Varajet II | by pozorrro!
Ответить


Ваши права в разделе
Вы не можете создавать новые темы
Вы не можете отвечать в темах
Вы не можете прикреплять вложения
Вы не можете редактировать свои сообщения

BB коды Вкл.
Смайлы Вкл.
[IMG] код Вкл.
HTML код Выкл.

Быстрый переход


Часовой пояс GMT +4, время: 10:22.


Powered by vBulletin® Version 3.8.4
Copyright ©2000 - 2026, Jelsoft Enterprises Ltd. Перевод: zCarot