Забор Что можно написать на заборе? Да все, что угодно!
Ответить
Перейти к новому Перейти к новому   Опции темы Опции просмотра
Для отечественных производителей втулок и колодок | by G-Ryder
Непрочитано 07.05.2014, 02:22   # 1
 
Аватар для G-Ryder
 
Регистрация: 19.12.2006
Адрес: Большое Козино
Возраст: 34
Сообщений: 2,104
Байк: как у Лехи
Отправить сообщение для G-Ryder с помощью ICQ
G-Ryder вне форума
По умолчанию Для отечественных производителей втулок и колодок
Пожалуйста, расширьте свой ассортимент прочными крышечками для скошенных выносов, а то те, которые идут в комплекте с выносами не очень долговечные и думаю многие сталкивались с этим.
Миниатюры
Нажмите на изображение для увеличения
Название: крышка.jpg
Просмотров: 471
Размер:	88.3 Кб
ID:	48711   Нажмите на изображение для увеличения
Название: крышечка.jpg
Просмотров: 491
Размер:	4.0 Кб
ID:	48712  
Цитата
Непрочитано 07.05.2014, 02:50   # 2
он жив
 
Аватар для Lenin
 
Регистрация: 09.03.2005
Адрес: 812(СПб)->0711->0561
Сообщений: 4,534
Записей в дневнике: 2
Отправить сообщение для Lenin с помощью ICQ
Lenin вне форума
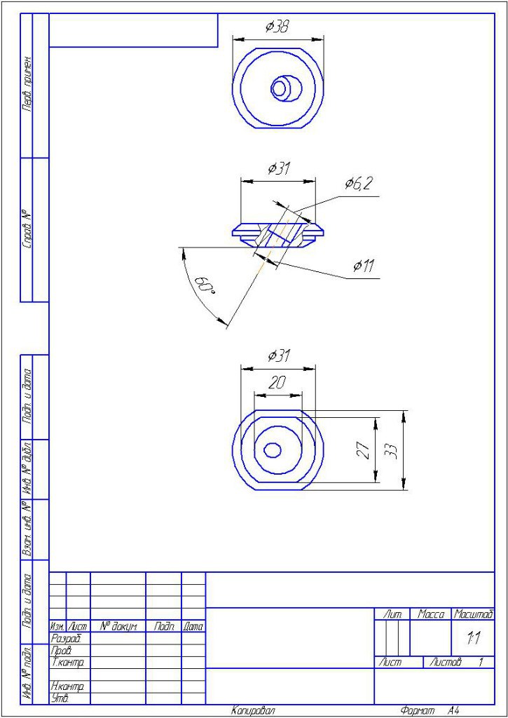
Обозначение диаметров 6,2 и 11 мм было бы разумно поменять местами.
Отсутствует размер в каком месте сверлить отверстие под болт
))) прости за занудство, не смогу устоять )))

по теме, да, хорошие крышечки – полезная вещь!
Цитата
Непрочитано 07.05.2014, 11:21   # 3
 
Аватар для G-Ryder
 
Регистрация: 19.12.2006
Адрес: Большое Козино
Возраст: 34
Сообщений: 2,104
Байк: как у Лехи
Отправить сообщение для G-Ryder с помощью ICQ
G-Ryder вне форума
Я нашел на каком то форуме этот чертеж, чтобы донести суть чего мне нужно))
Цитата
Непрочитано 07.05.2014, 11:36   # 4
 
Аватар для t.w.o.
 
Регистрация: 22.07.2006
Адрес: Москва м.Бабушкинская
Возраст: 36
Сообщений: 6,663
Записей в дневнике: 1
Байк: Speed Race Solo 26
Отправить сообщение для t.w.o. с помощью ICQ
t.w.o. вне форума
у меня есть такая крышка, я ей притягиваю, а потом родную ставлю))
Цитата
Непрочитано 07.05.2014, 11:40   # 5
TrialZone
 
Аватар для korney
 
Регистрация: 05.03.2004
Адрес: Mосква, СВАО.
Возраст: 36
Сообщений: 4,789
Записей в дневнике: 3
Байк: K124 Play- 24"
Отправить сообщение для korney с помощью ICQ Отправить сообщение для korney с помощью AIM Отправить сообщение для korney с помощью Yahoo
korney вне форума
Скоро все будет!) Эксклюзив!
Цитата
Непрочитано 07.05.2014, 11:41   # 6
 
Аватар для Arrt
 
Регистрация: 24.10.2003
Адрес: СПб
Возраст: 40
Сообщений: 990
Байк: 20" & 26"
Отправить сообщение для Arrt с помощью ICQ
Arrt вне форума
Цитата:
Сообщение от G-Ryder Посмотреть сообщение
Пожалуйста, расширьте свой ассортимент прочными крышечками для скошенных выносов, а то те, которые идут в комплекте с выносами не очень долговечные и думаю многие сталкивались с этим.
И сколько ты готов отдать за подобную крышку (из 7075-T6 алюминия)?
Цитата
Непрочитано 07.05.2014, 11:49   # 7
 
Аватар для G-Ryder
 
Регистрация: 19.12.2006
Адрес: Большое Козино
Возраст: 34
Сообщений: 2,104
Байк: как у Лехи
Отправить сообщение для G-Ryder с помощью ICQ
G-Ryder вне форума
Цитата:
Сообщение от Arrt Посмотреть сообщение
И сколько ты готов отдать за подобную крышку (из 7075-T6 алюминия)?
300-400 рублей готов
Цитата
Непрочитано 07.05.2014, 11:49   # 8
 
Аватар для t.w.o.
 
Регистрация: 22.07.2006
Адрес: Москва м.Бабушкинская
Возраст: 36
Сообщений: 6,663
Записей в дневнике: 1
Байк: Speed Race Solo 26
Отправить сообщение для t.w.o. с помощью ICQ
t.w.o. вне форума
Цитата:
Сообщение от Arrt Посмотреть сообщение
И сколько ты готов отдать за подобную крышку (из 7075-T6 алюминия)?

если не горит писят, если очень надобно две сотки))
Цитата
Непрочитано 07.05.2014, 16:57   # 9
 
Регистрация: 02.02.2009
Адрес: Москва, Строгино
Возраст: 35
Сообщений: 690
Байк: Koxx Excessboy / Czar Neuron 24"
Отправить сообщение для JinJeyYo с помощью ICQ
JinJeyYo вне форума
Цитата:
Сообщение от Arrt Посмотреть сообщение
И сколько ты готов отдать за подобную крышку (из 7075-T6 алюминия)?
Ты прямо как заправский бомбила! Еще бы спросил "а сколько тебе не жалко отдать?") Скажи лучше какой будет ее примерная себестоимость, раз ты уже занимался вытачиванием деталей.
Цитата
Непрочитано 07.05.2014, 17:06   # 10
 
Аватар для Arrt
 
Регистрация: 24.10.2003
Адрес: СПб
Возраст: 40
Сообщений: 990
Байк: 20" & 26"
Отправить сообщение для Arrt с помощью ICQ
Arrt вне форума
Цитата:
Сообщение от JinJeyYo Посмотреть сообщение
Ты прямо как заправский бомбила! Еще бы спросил "а сколько тебе не жалко отдать?") Скажи лучше какой будет ее примерная себестоимость, раз ты уже занимался вытачиванием деталей.
Вопрос абсолютно адекватный - нужно знать сколько потенциальный покупатель готов заплатить за данное изделие, чтобы понимать, стоит ли вообще его производить.
Цитата
Непрочитано 07.05.2014, 17:22   # 11
 
Регистрация: 02.02.2009
Адрес: Москва, Строгино
Возраст: 35
Сообщений: 690
Байк: Koxx Excessboy / Czar Neuron 24"
Отправить сообщение для JinJeyYo с помощью ICQ
JinJeyYo вне форума
Думаю логично исхоДить из средних цен на товар представленых сейчас на рынке. Тут все адекватные люди, и врядли кто-то будет говорить "нууу, не больше полтинничка". Другой вопрос это сколько кто готов заплатить. Кто-то 300-400, кто-то 1000 , а кому-то и 2000 на карман не надавят. Читал недавно на дерт форме темку - паренек продавал мясной сосис за 90 штук после 3 месяцев катания по асфальту. Там народ конечно отписался, мол зачем его брать было тогда?? Он ответил "я по жизни максималист - хотел простой кантрийник для города взять, а в магазе увидел этот байк, он мне понравился, я его купил.." Вот и лезут дутые цены потом из-за таких максималистов, у которых деньги из карманов лезут. В конец концов, это не аукцион. Ты как производитель должен предложить свою цену, которую сам, с учетом затрат и окупаемости считаешь адекватной.
Цитата
Непрочитано 07.05.2014, 17:54   # 12
 
Аватар для Sonner
 
Регистрация: 18.04.2006
Адрес: Питер(Пушкин-Центр)
Возраст: 37
Сообщений: 3,160
Записей в дневнике: 10
Байк: zoo
Отправить сообщение для Sonner с помощью ICQ
Sonner вне форума
ну у Остина есть такая, только Brother. Делать её, не дешево, если на фрезере простом, то нужна оснастка для закрепления под углом, иначе отверстие не сделать. Анодировка.. Я делал сам угловую крышку - часа 3 получилось. з.ы. проще купить.
Цитата
Непрочитано 07.05.2014, 18:09   # 13
 
Аватар для Arrt
 
Регистрация: 24.10.2003
Адрес: СПб
Возраст: 40
Сообщений: 990
Байк: 20" & 26"
Отправить сообщение для Arrt с помощью ICQ
Arrt вне форума
Цитата:
Сообщение от Sonner Посмотреть сообщение
ну у Остина есть такая, только Brother.
Кстати да, и стоит те же 400 руб., которые был готов отдать G-ryder.
Цитата
Непрочитано 07.05.2014, 18:16   # 14
 
Аватар для Sonner
 
Регистрация: 18.04.2006
Адрес: Питер(Пушкин-Центр)
Возраст: 37
Сообщений: 3,160
Записей в дневнике: 10
Байк: zoo
Отправить сообщение для Sonner с помощью ICQ
Sonner вне форума
Цитата:
Сообщение от Arrt Посмотреть сообщение
Кстати да, и стоит те же 400 руб., которые был готов отдать G-ryder.
Некоторые детали лучше купить доказано мной
Цитата
Непрочитано 07.05.2014, 20:14   # 15
 
Аватар для 0oMDCTo0
 
Регистрация: 15.03.2012
Адрес: Владикавказ
Возраст: 31
Сообщений: 3,087
Байк: Большой Салат по Легкому рецепту
0oMDCTo0 вне форума
А я вот думал. Если проточить отверстие в заготовке прямо, а затем срезать лишнее под уклоном? Проблема в затрате материала?
Цитата
Непрочитано 08.05.2014, 09:08   # 16
 
Аватар для KingOfFlakes
 
Регистрация: 25.02.2008
Адрес: г. Москва: м. пр-т Вернадского
Возраст: 33
Сообщений: 933
Байк: Ozonys Curve V4 26"
KingOfFlakes вне форума
Отверстие в последнюю очередь, перед финишной обработкой. А себестоимость крышки и 50 рублей не превышает. Мне такую на обычном станке по размерам стандартной борн выточили за час. Я потом напильником углы просто подточил и еще чуть подогнал. Все то же самое можно было сделать на станке, но сделано не было ввиду отсутствия времени. Так что не надо тут про себестоимости... Тут рентабельность, при цене 400р, за несколько сотен процентов улетает при условии, что не надо производство начинать с нуля.
Цитата
Непрочитано 10.05.2014, 09:21   # 17
 
Аватар для big_T
 
Регистрация: 14.03.2004
Адрес: г.Солнечногорск рядом с Автовокзалом
Сообщений: 2,223
Записей в дневнике: 1
Байк: Inspired с автовокзалом
Отправить сообщение для big_T с помощью ICQ
big_T вне форума
Простите за рекламу, а в чем проблема купить с распродажи тнн http://onlybikes.ru/catalog_show.php?id=715 ???

+Тимур делал такие штуки и он сказал честно, что это еб*льно. Он не лошара в токарном вопросе, так что я думаю тут все понятно.
Цитата
Непрочитано 17.05.2014, 12:11   # 18
Котэ
 
Аватар для Feo
 
Регистрация: 04.04.2009
Адрес: Таганрог
Возраст: 35
Сообщений: 823
Записей в дневнике: 3
Байк: Bionic b5r
Feo вне форума
Цитата:
Сообщение от big_T Посмотреть сообщение
Простите за рекламу, а в чем проблема купить с распродажи тнн http://onlybikes.ru/catalog_show.php?id=715 ???

+Тимур делал такие штуки и он сказал честно, что это еб*льно. Он не лошара в токарном вопросе, так что я думаю тут все понятно.
Проблема в том, что она под обычный вынос
Цитата
Непрочитано 18.05.2014, 00:02   # 19
 
Аватар для Sonner
 
Регистрация: 18.04.2006
Адрес: Питер(Пушкин-Центр)
Возраст: 37
Сообщений: 3,160
Записей в дневнике: 10
Байк: zoo
Отправить сообщение для Sonner с помощью ICQ
Sonner вне форума
Цитата:
Сообщение от KingOfFlakes Посмотреть сообщение
Отверстие в последнюю очередь, перед финишной обработкой. А себестоимость крышки и 50 рублей не превышает. Мне такую на обычном станке по размерам стандартной борн выточили за час. Я потом напильником углы просто подточил и еще чуть подогнал. Все то же самое можно было сделать на станке, но сделано не было ввиду отсутствия времени. Так что не надо тут про себестоимости... Тут рентабельность, при цене 400р, за несколько сотен процентов улетает при условии, что не надо производство начинать с нуля.
На каком станке делали? чпу или ручной? Время станка я так понимаю не учитываешь, и износ инструмента..
Цитата
Для отечественных производителей втулок и колодок | by G-Ryder
Ответить


Ваши права в разделе
Вы не можете создавать новые темы
Вы не можете отвечать в темах
Вы не можете прикреплять вложения
Вы не можете редактировать свои сообщения

BB коды Вкл.
Смайлы Вкл.
[IMG] код Вкл.
HTML код Выкл.

Быстрый переход


Часовой пояс GMT +4, время: 14:24.


Powered by vBulletin® Version 3.8.4
Copyright ©2000 - 2026, Jelsoft Enterprises Ltd. Перевод: zCarot