Мастерская Сломал детальку? Или придумал, как починить другую? Пиши сюда!
Ответить
Перейти к новому Перейти к новому   Опции темы Опции просмотра
Толщина бустера под Vee | by CHESTER*
Непрочитано 20.02.2006, 18:05   # 1
 
Аватар для CHESTER*
 
Регистрация: 11.07.2005
Адрес: RZN
Возраст: 36
Сообщений: 197
Байк: Echo Lite full Hope mono trials
CHESTER* вне форума
По умолчанию Толщина бустера под Vee
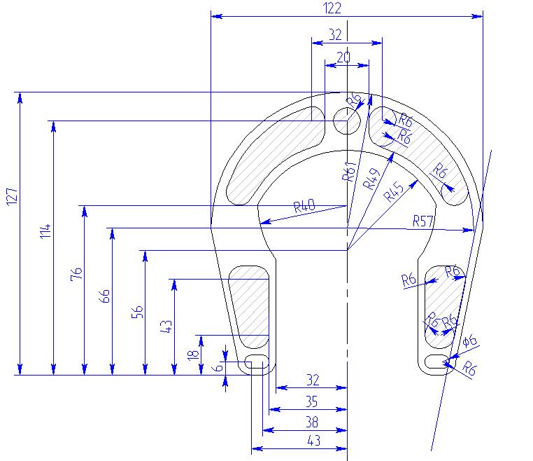
Вот собираюсь два бустера выточить,вперед и назад,фото прилогается
металл нержавеющая сталь,др. нет, кстати и рок и него же(скока раз на него приземлялся пофигу аж вмятин нет) так вот какой толщины делать? думаю 6мм или 5мм? а углубления для облегчения с одной стороны 2мм.Чёс думаете?
Миниатюры
Нажмите на изображение для увеличения
Название: _______2_418.jpg
Просмотров: 1205
Размер:	64.7 Кб
ID:	8611  
Цитата
Непрочитано 20.02.2006, 18:13   # 2
 
Аватар для nekitt
 
Регистрация: 06.12.2004
Адрес: Эстония Таллинн
Сообщений: 333
Отправить сообщение для nekitt с помощью MSN
nekitt вне форума
я думаю лучше алю
бустер из 5мм стали будет тяжелый!
я раньше на роке стальном катал он весил 600 грамм
Цитата
Непрочитано 20.02.2006, 19:30   # 3
Очумелые ручки
 
Аватар для Water
 
Регистрация: 16.12.2005
Адрес: ювао
Возраст: 38
Сообщений: 2,207
Записей в дневнике: 2
Байк: простой
Отправить сообщение для Water с помощью ICQ
Water вне форума
из нержавейки.... ого!!! это будет тяжеловато... я бы сделал, как ты хочешь, такой формы, только 4 мм, с полторашными углублениями, думаю сталь будет достаточно жесткой, чтобы в такой конфигурации полностью обездвижить перья... но если вес не парит- делай и толще,,, только это помоему не целесообразно...
Цитата
Непрочитано 20.02.2006, 20:05   # 4
 
Аватар для Target
 
Регистрация: 14.11.2005
Адрес: Питер
Возраст: 38
Сообщений: 386
Байк: 24" навсегда в моем сердце
Отправить сообщение для Target с помощью ICQ
Target вне форума
Из стали такой толстый бустер нет смысла, но если собираешься делать такой, советую сделать углубления поглубже
Цитата
Непрочитано 20.02.2006, 20:37   # 5
 
Аватар для MarcVinco
 
Регистрация: 21.05.2005
Адрес: Украина Одесса
Сообщений: 1,140
Отправить сообщение для MarcVinco с помощью ICQ
MarcVinco вне форума
кака из стали получица....
Цитата
Непрочитано 20.02.2006, 21:50   # 6
 
Аватар для kOlpaC
 
Регистрация: 09.11.2004
Адрес: САО
Сообщений: 939
Отправить сообщение для kOlpaC с помощью ICQ
kOlpaC вне форума
если из стали, то вполне можно делать не углубления, а сквозные дырищи
Цитата
Непрочитано 21.02.2006, 02:08   # 7
 
Аватар для BlooDsss
 
Регистрация: 23.04.2005
Адрес: Подольск
Сообщений: 3,259
Отправить сообщение для BlooDsss с помощью ICQ Отправить сообщение для BlooDsss с помощью MSN
BlooDsss вне форума
материал изготовления Дюраль д16т у меня бвл самопальный бустер 10мм(1см) и не разжимался почти!
Цитата
Толщина бустера под Vee | by CHESTER*
Ответить


Ваши права в разделе
Вы не можете создавать новые темы
Вы не можете отвечать в темах
Вы не можете прикреплять вложения
Вы не можете редактировать свои сообщения

BB коды Вкл.
Смайлы Вкл.
[IMG] код Вкл.
HTML код Выкл.

Быстрый переход


Часовой пояс GMT +4, время: 12:31.


Powered by vBulletin® Version 3.8.4
Copyright ©2000 - 2026, Jelsoft Enterprises Ltd. Перевод: zCarot