Мастерская Сломал детальку? Или придумал, как починить другую? Пиши сюда!
Ответить
Перейти к новому Перейти к новому   Опции темы Опции просмотра
Давайте соберем все чертежи и хэндмэйды! | by -=M@kBIOs=-
Непрочитано 27.06.2005, 19:16   # 1
 
Аватар для -=M@kBIOs=-
 
Регистрация: 09.05.2005
Адрес: St.Petersburg/ Ispolkom on German street
Сообщений: 153
-=M@kBIOs=- вне форума
По умолчанию Давайте соберем все чертежи и хэндмэйды!
Вот решил создать тему в которой я надеюсь появится много чертежей к различным деталям(бустеры, рокринги, переходники, рамы, шатуны, и всякое другое! ).

Уточню! :: Тема только с чертежами и описаниями по сборке(если чертеж понятный можно и не писать)! Отписывать ниче не надо только чертежи и описание!
Цитата
Непрочитано 27.06.2005, 22:01   # 2
 
Регистрация: 29.11.2003
Адрес: Сочи
Сообщений: 125
Отправить сообщение для Gidron с помощью ICQ
Gidron вне форума
как то раз кто-то выкладывал.
Миниатюры
Нажмите на изображение для увеличения
Название: tvz_design_freecho_188_187.jpg
Просмотров: 19448
Размер:	31.4 Кб
ID:	3333   Нажмите на изображение для увеличения
Название: rock_174_676.gif
Просмотров: 19377
Размер:	18.7 Кб
ID:	3334   Нажмите на изображение для увеличения
Название: rock2_751_135.gif
Просмотров: 19524
Размер:	20.4 Кб
ID:	3335  
Цитата
Непрочитано 28.06.2005, 15:05   # 3
большой_брат
 
Аватар для garp[wha!dez]
 
Регистрация: 04.09.2002
Адрес: троицк
Возраст: 46
Сообщений: 1,584
Записей в дневнике: 7
Байк: Stark Surfer, bb7, V!Z, B+
Отправить сообщение для garp[wha!dez] с помощью ICQ
garp[wha!dez] вне форума
а также ссылки на форум, где лежит.
мы перенесем эти темы в статьи на сайте
Цитата
Непрочитано 28.06.2005, 18:27   # 4
 
Аватар для erik
 
Регистрация: 17.05.2005
Адрес: д.Зеленоград
Сообщений: 25
Отправить сообщение для erik с помощью ICQ
erik вне форума
какие именно черчежи нужны?
Цитата
Непрочитано 28.06.2005, 19:34   # 5
 
Аватар для kOlpaC
 
Регистрация: 09.11.2004
Адрес: САО
Сообщений: 939
Отправить сообщение для kOlpaC с помощью ICQ
kOlpaC вне форума
давай фсе!!!!!
Цитата
Непрочитано 28.06.2005, 23:36   # 6
кусачий
 
Аватар для vampir
 
Регистрация: 03.02.2004
Адрес: Вологда
Возраст: 38
Сообщений: 6,386
Записей в дневнике: 33
Байк: разный мод
Отправить сообщение для vampir с помощью ICQ
vampir вне форума
поиши в разделе наши байки тему: мой самовар!!!!!
Цитата
Непрочитано 29.06.2005, 14:24   # 7
 
Аватар для -=M@kBIOs=-
 
Регистрация: 09.05.2005
Адрес: St.Petersburg/ Ispolkom on German street
Сообщений: 153
-=M@kBIOs=- вне форума
Мне нужны чертежи потому что мастеру будет легче заказать(И дешевле!) К тому же бывают чертежи идеинтичных деталей! Типа бустера ЭХО КОНТРОЛ!
Цитата
Непрочитано 14.07.2005, 03:19   # 8
 
Аватар для Ты че такой дерзкий, ты!?
 
Регистрация: 13.10.2004
Адрес: Питер
Сообщений: 219
Отправить сообщение для Ты че такой дерзкий, ты!? с помощью ICQ
Ты че такой дерзкий, ты!? вне форума
САМЫЙ ВЕРХНИЙ РОК НЕ ДЕЛАЙТЕ !!! ГАВНО ПОЛНОЕ ! вомнется при первом же удобном случае.
Цитата
Непрочитано 14.07.2005, 11:56   # 9
 
Регистрация: 23.05.2005
Адрес: Москва ... Новокосино
Сообщений: 606
Отправить сообщение для TtT с помощью ICQ
TtT вне форума
По умолчанию фы
У кого есть чертёж бустера эхо контрол ?

Если есть то выложите плз ...
Цитата
Непрочитано 14.07.2005, 17:46   # 10
 
Аватар для АлёхА
 
Регистрация: 21.06.2004
Адрес: Зеленоград
Возраст: 38
Сообщений: 68
Байк: старк-тт
Отправить сообщение для АлёхА с помощью ICQ
АлёхА вне форума
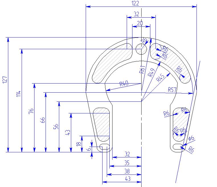
вот
Миниатюры
Нажмите на изображение для увеличения
Название: booster_v2_140_902.jpg
Просмотров: 19369
Размер:	64.7 Кб
ID:	3666   Нажмите на изображение для увеличения
Название: echofinal_178.jpg
Просмотров: 5226
Размер:	99.1 Кб
ID:	3667  
Цитата
Непрочитано 26.07.2005, 02:49   # 11
 
Регистрация: 23.05.2005
Адрес: Москва ... Новокосино
Сообщений: 606
Отправить сообщение для TtT с помощью ICQ
TtT вне форума
Цитата:
Сообщение от АлёхА
вот
спс
Цитата
Непрочитано 01.09.2005, 23:24   # 12
 
Аватар для kOlpaC
 
Регистрация: 09.11.2004
Адрес: САО
Сообщений: 939
Отправить сообщение для kOlpaC с помощью ICQ
kOlpaC вне форума
от. если кому надо
Миниатюры
Нажмите на изображение для увеличения
Название: _______128.jpg
Просмотров: 18587
Размер:	36.0 Кб
ID:	4692  
Цитата
Непрочитано 05.09.2005, 18:29   # 13
 
Аватар для Makpoc
 
Регистрация: 02.08.2005
Адрес: Санкт-Петербург, В. О.
Возраст: 37
Сообщений: 1,975
Байк: Magellan Tucana Comp
Отправить сообщение для Makpoc с помощью ICQ
Makpoc вне форума
Последний чертеж странный какой-то. Линии разметки спутались с контурами бустера.
Цитата
Непрочитано 11.09.2005, 15:19   # 14
 
Аватар для FREEon
 
Регистрация: 22.06.2005
Адрес: Моск.Обл. Электросталь
Сообщений: 131
Отправить сообщение для FREEon с помощью ICQ
FREEon вне форума
а в стиле RB есть у кого нибудь под 4 болта чертежик бустера
Цитата
Непрочитано 12.09.2005, 10:08   # 15
 
Аватар для kOlpaC
 
Регистрация: 09.11.2004
Адрес: САО
Сообщений: 939
Отправить сообщение для kOlpaC с помощью ICQ
kOlpaC вне форума
Цитата:
Сообщение от DIGGER
Последний чертеж странный какой-то. Линии разметки спутались с контурами бустера.
Ну просто я пока еще не гений автокада. При работе в проге, все линии одинаковые, нормальные линии он делает только на печать (а может и не только). Если нужно, могу кинуть в тебя файликом
Цитата
Непрочитано 24.09.2005, 23:51   # 16
 
Аватар для Makpoc
 
Регистрация: 02.08.2005
Адрес: Санкт-Петербург, В. О.
Возраст: 37
Сообщений: 1,975
Байк: Magellan Tucana Comp
Отправить сообщение для Makpoc с помощью ICQ
Makpoc вне форума
Цитата:
Сообщение от kOlpaC
Цитата:
Сообщение от DIGGER
Последний чертеж странный какой-то. Линии разметки спутались с контурами бустера.
Ну просто я пока еще не гений автокада. При работе в проге, все линии одинаковые, нормальные линии он делает только на печать (а может и не только). Если нужно, могу кинуть в тебя файликом
Советую Компас!
Цитата
Непрочитано 23.10.2005, 21:05   # 17
 
Аватар для FausST
 
Регистрация: 20.10.2005
Адрес: Москва, Таганка
Сообщений: 1,476
Отправить сообщение для FausST с помощью ICQ
FausST вне форума
Оч кстати чертежик бустера, я как раз сам чертить собирался.
Цитата
Непрочитано 07.11.2005, 20:16   # 18
 
Регистрация: 31.10.2005
Сообщений: 3
Отправить сообщение для TOfO с помощью ICQ
TOfO вне форума
плиззз, поделитесь чертежом у кого есть, а именно на КРЕПЕЖИ под 4 болта на МАГуРу
Заранее спс...
Цитата
Непрочитано 17.11.2005, 01:32   # 19
 
Аватар для Next909
 
Регистрация: 09.07.2005
Сообщений: 5
Next909 вне форума
Помогите чертежом или ссылочкой . Хочу поставить SHIMANO XT (см.фото) на 8" диск . Стандартно он идёт без переходника ( сразу на вилку ) на 6" диск . Похожие переходники я видел на Magura louise FR . Помогите как можете буду очень благодарен !
Фото тормоза : http://biketrials.ru/board/files/50_1887_891.jpg
Цитата
Непрочитано 17.11.2005, 11:08   # 20
 
Аватар для Diesel Power
 
Регистрация: 12.11.2005
Адрес: г.Самара
Сообщений: 1,614
Записей в дневнике: 1
Отправить сообщение для Diesel Power с помощью ICQ
Diesel Power вне форума
Какой бустер идет на Старк ТТ 06?
Дайте чертеж.
ПЛИЗЗЗ...
Цитата
Давайте соберем все чертежи и хэндмэйды! | by -=M@kBIOs=-
Ответить


Ваши права в разделе
Вы не можете создавать новые темы
Вы не можете отвечать в темах
Вы не можете прикреплять вложения
Вы не можете редактировать свои сообщения

BB коды Вкл.
Смайлы Вкл.
[IMG] код Вкл.
HTML код Выкл.

Быстрый переход


Часовой пояс GMT +4, время: 18:34.


Powered by vBulletin® Version 3.8.4
Copyright ©2000 - 2026, Jelsoft Enterprises Ltd. Перевод: zCarot