Мастерская Сломал детальку? Или придумал, как починить другую? Пиши сюда!
Ответить
  Опции темы Опции просмотра
Верните чертеж!! | by Rfdey
Непрочитано 30.11.2004, 01:17   # 1
 
Аватар для Rfdey
 
Регистрация: 28.01.2004
Адрес: Таллинн
Сообщений: 277
Rfdey вне форума
По умолчанию Верните чертеж!!
Сорри за то, что пишу второй раз, но форум "Статьи и рассказы" на главной не отображается. Просто надо оочень срочно! ops:
Удалите плиз одну из тем и перенесите одну в нужный раздел!

Вообщем, на сайте в статье про переходник с креплений под магуру на крепление под вии не открывается чертеж и фотка. Ув. автор статьи выложи plz, или скиньте кто-нибудь у кого завалялся!!! Очень надо!!!
Зарание спасибо!!!
Цитата
Непрочитано 30.11.2004, 01:19   # 2
 
Аватар для Dimon
 
Регистрация: 08.12.2002
Адрес: Москва, Ясенево
Сообщений: 1,733
Отправить сообщение для Dimon с помощью ICQ Отправить сообщение для Dimon с помощью Yahoo
Dimon вне форума
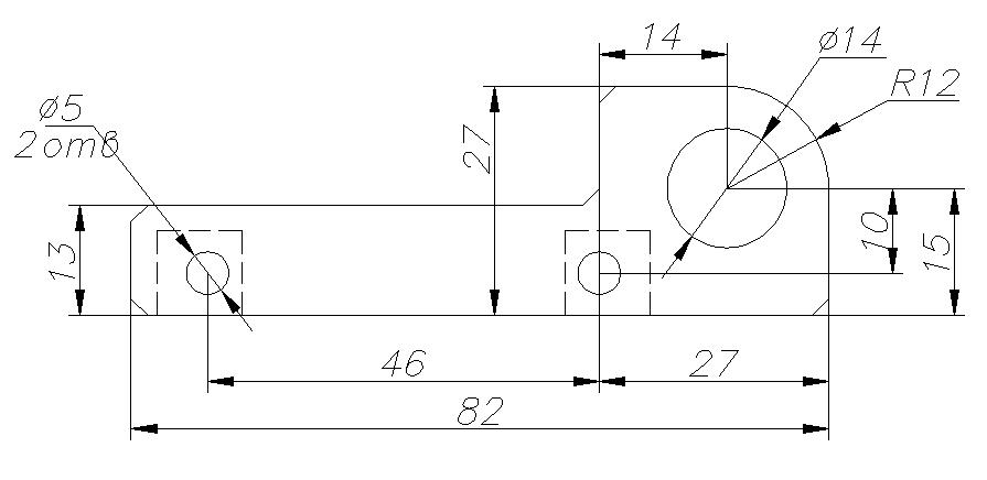
вот


для изготовления переходника вам потребуется дюралевая пластинка толщеной около 6 мм

из этой пластники надо сделать деталь по четежу
собственно там все просто, но некоторые моменты нуждаются в коментариях
итак

1) отверстия диаметром 5мм для установки на крепления, лучше рассверлить как-бы вдоль переходника, т.е. создать возможность регулировки самого переходника относительно рамы, так же при этом будет проще установить, если вдруг вы ошиблись на несколько мм при сверлении отверстия

2)размеры 14 и 15 или 14 и 10 т.е. те которые определяют положение шпинька относительно рамы

размер 14 стоит постараться сделать минимальным т.е. при возможность его лучше уменьшить, но увеличивать его ни как нельзя

размер 10 или 15 в конечном итоге определяет расстояние межда шпиньками, и поэтому его стоит изменять
например при широком ободе его стоит уменьшить, так же его стоит уменьшить если у вас тормоза с паралениым ходом колодок.

3) ну и собственно отверстие диаметром 14мм его размер зависит от того где вы добудите шпиньки, я свои отрезал от старой вилки (фотка), если кто-то задумает выкрутить из рамы то можно нарезать резьбу в переходнике и вкрутить его туда.
_________________
Миниатюры
Нажмите на изображение для увеличения
Название: 4-vi_adapter.jpg
Просмотров: 1312
Размер:	34.6 Кб
ID:	550   Нажмите на изображение для увеличения
Название: ustanovka.jpg
Просмотров: 1305
Размер:	30.5 Кб
ID:	551   Нажмите на изображение для увеличения
Название: vilka.jpg
Просмотров: 1305
Размер:	56.9 Кб
ID:	552  
Цитата
Непрочитано 30.11.2004, 01:39   # 3
 
Аватар для Rfdey
 
Регистрация: 28.01.2004
Адрес: Таллинн
Сообщений: 277
Rfdey вне форума
спасибо огромнейшее!!!!
Цитата
Верните чертеж!! | by Rfdey
Ответить


Ваши права в разделе
Вы не можете создавать новые темы
Вы не можете отвечать в темах
Вы не можете прикреплять вложения
Вы не можете редактировать свои сообщения

BB коды Вкл.
Смайлы Вкл.
[IMG] код Вкл.
HTML код Выкл.

Быстрый переход


Часовой пояс GMT +4, время: 23:43.


Powered by vBulletin® Version 3.8.4
Copyright ©2000 - 2026, Jelsoft Enterprises Ltd. Перевод: zCarot