Мастерская Сломал детальку? Или придумал, как починить другую? Пиши сюда!
Ответить
Перейти к новому Перейти к новому   Опции темы Опции просмотра
Чертеж натяжитель | by KNAUB
Непрочитано 29.08.2014, 15:16   # 1
 
Аватар для KNAUB
 
Регистрация: 05.07.2011
Адрес: С-Петербург
Возраст: 36
Сообщений: 137
Байк: zoo!
KNAUB вне форума
По умолчанию Чертеж натяжитель
Много вариантов со спицей - натяжком я перепробовал...
Есть посты)
Появилась новая идея крепежа спицы.
Вот сделал чертеж проставочки, с грамотными отверстиями под спицу.
Спица вставляется в отверстие, и зажимается двумя стопорными болтами, или садится на поксипол...

http://www.biketrials.ru/live/attach...0&d=1409313789
Миниатюры
Нажмите на изображение для увеличения
Название: 123.JPG
Просмотров: 777
Размер:	20.7 Кб
ID:	49547  
Цитата
Непрочитано 29.08.2014, 15:18   # 2
Ильнур
 
Аватар для JumpingMaster
 
Регистрация: 24.08.2004
Адрес: Сан Диего
Возраст: 40
Сообщений: 7,757
Записей в дневнике: 16
Байк: Zoo! Pitbull 06.
Отправить сообщение для JumpingMaster с помощью ICQ
JumpingMaster вне форума
ничего не понял
фото на байке прикрепил бы
Цитата
Непрочитано 29.08.2014, 15:21   # 3
 
Аватар для KNAUB
 
Регистрация: 05.07.2011
Адрес: С-Петербург
Возраст: 36
Сообщений: 137
Байк: zoo!
KNAUB вне форума
Цитата:
Сообщение от JumpingMaster Посмотреть сообщение
ничего не понял
фото на байке прикрепил бы
пока только чертеж)
приедет втулочка, заспицую, и будет красота)
Цитата
Непрочитано 29.08.2014, 16:35   # 4
 
Аватар для semz
 
Регистрация: 23.10.2008
Адрес: Челябинск
Возраст: 32
Сообщений: 1,637
Байк: ufo
Отправить сообщение для semz с помощью ICQ
semz вне форума
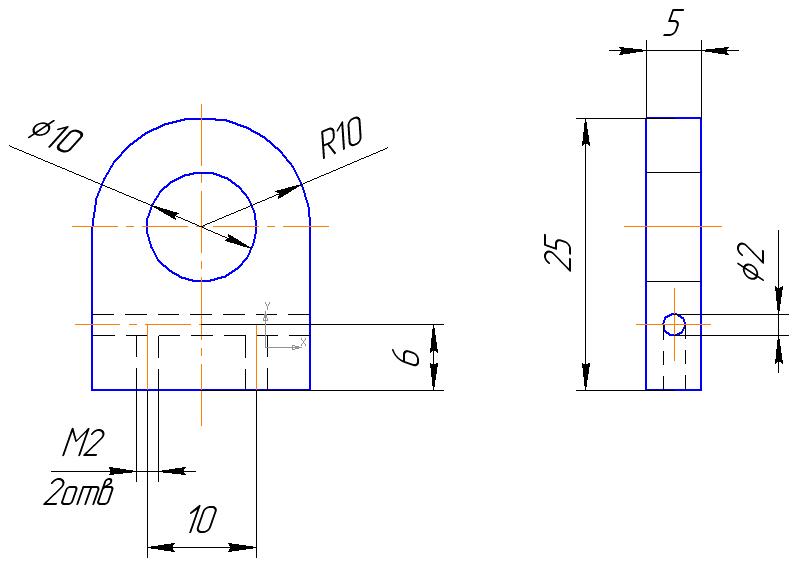
так на маленькие отверстия надо было написать не "2", а "М2", а то непонятная штуковина получается
а так оригинальная идея
Цитата
Непрочитано 29.08.2014, 16:39   # 5
 
Аватар для KNAUB
 
Регистрация: 05.07.2011
Адрес: С-Петербург
Возраст: 36
Сообщений: 137
Байк: zoo!
KNAUB вне форума
Цитата:
Сообщение от semz Посмотреть сообщение
так на маленькие отверстия надо было написать не "2", а "М2", а то непонятная штуковина получается
а так оригинальная идея
Спасибо за поправочку. Я пользовался школьными знаниями, и то скорее воспоминаниями)
Цитата
Непрочитано 29.08.2014, 16:59   # 6
 
Аватар для semz
 
Регистрация: 23.10.2008
Адрес: Челябинск
Возраст: 32
Сообщений: 1,637
Байк: ufo
Отправить сообщение для semz с помощью ICQ
semz вне форума
чуть ближе
Миниатюры
Нажмите на изображение для увеличения
Название: штука.JPG
Просмотров: 958
Размер:	34.8 Кб
ID:	49550  
Цитата
Непрочитано 29.08.2014, 17:02   # 7
 
Аватар для KNAUB
 
Регистрация: 05.07.2011
Адрес: С-Петербург
Возраст: 36
Сообщений: 137
Байк: zoo!
KNAUB вне форума
Цитата:
Сообщение от semz Посмотреть сообщение
чуть ближе
Ой спасибо, не против, если я в шапку добавлю?)
Цитата
Непрочитано 29.08.2014, 17:03   # 8
 
Аватар для semz
 
Регистрация: 23.10.2008
Адрес: Челябинск
Возраст: 32
Сообщений: 1,637
Байк: ufo
Отправить сообщение для semz с помощью ICQ
semz вне форума
да пожалуйста
Цитата
Непрочитано 29.08.2014, 18:01   # 9
 
Аватар для Sonner
 
Регистрация: 18.04.2006
Адрес: Питер(Пушкин-Центр)
Возраст: 37
Сообщений: 3,160
Записей в дневнике: 10
Байк: zoo
Отправить сообщение для Sonner с помощью ICQ
Sonner вне форума
Идея, что эта проставка идет между дропаутом и втулкой, так? Мясца добавил бы тогда ( R12) Если так, то вопрос - я отвожу на нужный ( эмпирический) угол и прижимаю болтом? 5 мм - получается, что сместим втулку в сторону на 5? Надо будет разжимать перо?
Под спицу скорей 2.1 мм, иначе в нулях ты не вставишь.
Думаю, что чисто технологически проще сделать что то типа (но зависит от втулки) (см фото). Прижал винтами м3 и всё.
Миниатюры
Нажмите на изображение для увеличения
Название: Безымянный.png
Просмотров: 718
Размер:	257.9 Кб
ID:	49551  
Цитата
Непрочитано 29.08.2014, 18:33   # 10
 
Аватар для KNAUB
 
Регистрация: 05.07.2011
Адрес: С-Петербург
Возраст: 36
Сообщений: 137
Байк: zoo!
KNAUB вне форума
Цитата:
Сообщение от Sonner Посмотреть сообщение
Идея, что эта проставка идет между дропаутом и втулкой, так? Мясца добавил бы тогда ( R12) Если так, то вопрос - я отвожу на нужный ( эмпирический) угол и прижимаю болтом? 5 мм - получается, что сместим втулку в сторону на 5? Надо будет разжимать перо?
Под спицу скорей 2.1 мм, иначе в нулях ты не вставишь.
Думаю, что чисто технологически проще сделать что то типа (но зависит от втулки) (см фото). Прижал винтами м3 и всё.
эта штука будет установлена заместо проставочки родной.
то есть это для втулки "Try-All H135"

Твоя тема тоже годная, только вот думаю, что надо шляпки пошире, чем на эскизе.

Я хочу чтоб по фЭнШуЯм всё было)
Цитата
Непрочитано 29.08.2014, 20:24   # 11
 
Аватар для Sonner
 
Регистрация: 18.04.2006
Адрес: Питер(Пушкин-Центр)
Возраст: 37
Сообщений: 3,160
Записей в дневнике: 10
Байк: zoo
Отправить сообщение для Sonner с помощью ICQ
Sonner вне форума
Цитата:
Сообщение от KNAUB Посмотреть сообщение
эта штука будет установлена заместо проставочки родной.
то есть это для втулки "Try-All H135"

Твоя тема тоже годная, только вот думаю, что надо шляпки пошире, чем на эскизе.

Я хочу чтоб по фЭнШуЯм всё было)
в твоем случае минусом является резьба м2, которая в пластилине ни фига не держит. Но думаю в купе с поксиполом - всё будет гуд.
Цитата
Непрочитано 29.08.2014, 23:06   # 12
 
Аватар для semz
 
Регистрация: 23.10.2008
Адрес: Челябинск
Возраст: 32
Сообщений: 1,637
Байк: ufo
Отправить сообщение для semz с помощью ICQ
semz вне форума
вариант еще проще
тонкая синияя линия - имитация спицы ( забыл как эти штуки в 3д делаются )
Миниатюры
Нажмите на изображение для увеличения
Название: штука1.JPG
Просмотров: 736
Размер:	19.1 Кб
ID:	49556  
Цитата
Непрочитано 29.08.2014, 23:12   # 13
 
Аватар для KNAUB
 
Регистрация: 05.07.2011
Адрес: С-Петербург
Возраст: 36
Сообщений: 137
Байк: zoo!
KNAUB вне форума
я чутка изменил конструкцию, попозжа поделюсь)
Цитата
Непрочитано 30.08.2014, 00:04   # 14
 
Аватар для Adamant_A1
 
Регистрация: 06.04.2009
Адрес: Самара
Сообщений: 2,500
Байк: ZOO! 2011 (Adamant_A1) - Echo Urban - Echo - Rockbar -Magura - Zhi
Отправить сообщение для Adamant_A1 с помощью ICQ
Adamant_A1 вне форума
Цитата:
Сообщение от semz Посмотреть сообщение
чуть ближе
А еще лучше шаг ставить, хоть он чаще и стандартный берется, и поле допуска) А на отверстие d10 допуск под посадку с зазором

Идея норм по сути, но не каждый имеет под рукой станок, на котором все можно сделать или знакомых таковых. А вот при отсутствии отверстий в пере под шляпку спицы можно ее хоть на хомут, хоть просто скотчем примотать к перу(дропауту) у кого как получится
Цитата
Непрочитано 30.08.2014, 00:34   # 15
 
Аватар для semz
 
Регистрация: 23.10.2008
Адрес: Челябинск
Возраст: 32
Сообщений: 1,637
Байк: ufo
Отправить сообщение для semz с помощью ICQ
semz вне форума
Цитата:
Сообщение от Adamant_A1 Посмотреть сообщение
А еще лучше шаг ставить, хоть он чаще и стандартный берется, и поле допуска) А на отверстие d10 допуск под посадку с зазором
эти вещи, как и им подобные указываются на чертеже(!), а вышеупомянутые картинки не более чем рисунками назвать можно
Цитата
Непрочитано 30.08.2014, 15:33   # 16
 
Аватар для KNAUB
 
Регистрация: 05.07.2011
Адрес: С-Петербург
Возраст: 36
Сообщений: 137
Байк: zoo!
KNAUB вне форума
заготовка это, остальное дома доделаю...
и шаги итд
п.с.
ВЕРЗИН -МУДАК!)
Цитата
Непрочитано 30.08.2014, 16:16   # 17
 
Аватар для Arrt
 
Регистрация: 24.10.2003
Адрес: СПб
Возраст: 40
Сообщений: 990
Байк: 20" & 26"
Отправить сообщение для Arrt с помощью ICQ
Arrt вне форума
Цитата:
Сообщение от semz Посмотреть сообщение
вариант еще проще
тонкая синияя линия - имитация спицы ( забыл как эти штуки в 3д делаются )
Что-то мне сомнительно, что спицу удастся так протянуть сквозь отверстия - она же довольно жёсткая.
Цитата
Непрочитано 30.08.2014, 16:38   # 18
 
Аватар для Sonner
 
Регистрация: 18.04.2006
Адрес: Питер(Пушкин-Центр)
Возраст: 37
Сообщений: 3,160
Записей в дневнике: 10
Байк: zoo
Отправить сообщение для Sonner с помощью ICQ
Sonner вне форума
Цитата:
Сообщение от Arrt Посмотреть сообщение
Что-то мне сомнительно, что спицу удастся так протянуть сквозь отверстия - она же довольно жёсткая.
Можно, кажется. Протянул, развернул, загнул, вытянул, затянул часть после гиба и подогнул, чтобы не вылетала.
Цитата
Непрочитано 30.08.2014, 17:18   # 19
 
Аватар для 0oMDCTo0
 
Регистрация: 15.03.2012
Адрес: Владикавказ
Возраст: 31
Сообщений: 3,087
Байк: Большой Салат по Легкому рецепту
0oMDCTo0 вне форума
Цитата:
Сообщение от KNAUB Посмотреть сообщение
заготовка это, остальное дома доделаю...
и шаги итд
п.с.
ВЕРЗИН -МУДАК!)
А пред на акк - нет
Цитата
Непрочитано 30.08.2014, 17:35   # 20
 
Аватар для Kotofei
 
Регистрация: 18.01.2004
Адрес: Подольск
Возраст: 40
Сообщений: 1,033
Байк: Zoo python
Отправить сообщение для Kotofei с помощью ICQ
Kotofei вне форума
Не проще улитку проточить как я делал?
Цитата
Чертеж натяжитель | by KNAUB
Ответить

Опции темы
Опции просмотра

Ваши права в разделе
Вы не можете создавать новые темы
Вы не можете отвечать в темах
Вы не можете прикреплять вложения
Вы не можете редактировать свои сообщения

BB коды Вкл.
Смайлы Вкл.
[IMG] код Вкл.
HTML код Выкл.

Быстрый переход


Часовой пояс GMT +4, время: 08:13.


Powered by vBulletin® Version 3.8.4
Copyright ©2000 - 2026, Jelsoft Enterprises Ltd. Перевод: zCarot