Мастерская Сломал детальку? Или придумал, как починить другую? Пиши сюда!
Ответить
Перейти к новому Перейти к новому   Опции темы Опции просмотра
Бустер!!! | by Artur
Непрочитано 19.02.2005, 12:05   # 1
 
Регистрация: 15.01.2005
Сообщений: 11
Artur вне форума
По умолчанию Бустер!!!
У кого есть чертеж бустера виложыте плз.

У меня колеса на 26"


Заранее спасибо, буду очень благодарен.
Цитата
Непрочитано 19.02.2005, 16:37   # 2
 
Аватар для Rfdey
 
Регистрация: 28.01.2004
Адрес: Таллинн
Сообщений: 277
Rfdey вне форума
тебе на вии??
Цитата
Непрочитано 19.02.2005, 17:42   # 3
 
Аватар для Rfdey
 
Регистрация: 28.01.2004
Адрес: Таллинн
Сообщений: 277
Rfdey вне форума
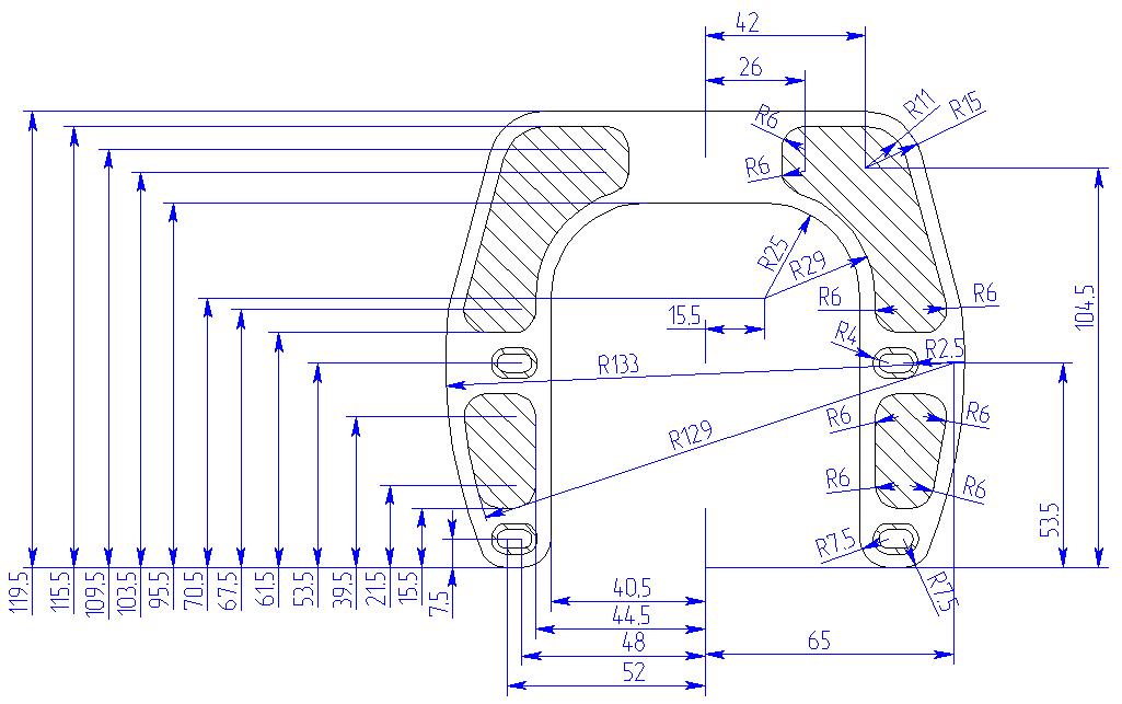
держи
Миниатюры
Нажмите на изображение для увеличения
Название: booster_v23d_791.jpg
Просмотров: 2799
Размер:	33.5 Кб
ID:	1560   Нажмите на изображение для увеличения
Название: booster_v2_140.jpg
Просмотров: 2875
Размер:	64.7 Кб
ID:	1561  
Цитата
Непрочитано 19.02.2005, 20:40   # 4
 
Аватар для Drew
 
Регистрация: 12.04.2004
Адрес: spirit world, ЮАО
Сообщений: 1,196
Отправить сообщение для Drew с помощью ICQ
Drew вне форума
Rfday, а под 4 болта кинуть можешь? только чертеж буду оч признателен
Цитата
Непрочитано 19.02.2005, 21:38   # 5
 
Аватар для Rfdey
 
Регистрация: 28.01.2004
Адрес: Таллинн
Сообщений: 277
Rfdey вне форума
под 4 есть только копия Эхо (почти)
Цитата
Непрочитано 19.02.2005, 22:07   # 6
 
Аватар для Drew
 
Регистрация: 12.04.2004
Адрес: spirit world, ЮАО
Сообщений: 1,196
Отправить сообщение для Drew с помощью ICQ
Drew вне форума
дык мне фсеравно я его просто как надо покрашу и будет куль а копия - не копия - пох пости скорее плз!
Цитата
Непрочитано 19.02.2005, 23:01   # 7
 
Аватар для Rfdey
 
Регистрация: 28.01.2004
Адрес: Таллинн
Сообщений: 277
Rfdey вне форума
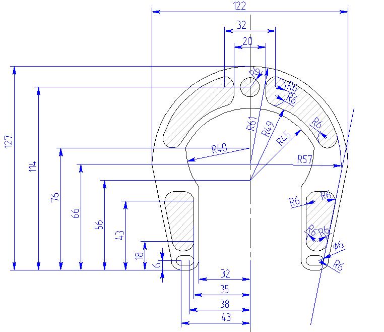
держи!
to All: прожу, чтоб эти чертежи дальше форума не ушли!
Миниатюры
Нажмите на изображение для увеличения
Название: echo3d_261.jpg
Просмотров: 2799
Размер:	42.7 Кб
ID:	1563   Нажмите на изображение для увеличения
Название: echofinal_945.jpg
Просмотров: 1030
Размер:	99.1 Кб
ID:	1564  
Цитата
Непрочитано 19.02.2005, 23:09   # 8
 
Аватар для Drew
 
Регистрация: 12.04.2004
Адрес: spirit world, ЮАО
Сообщений: 1,196
Отправить сообщение для Drew с помощью ICQ
Drew вне форума
огромное человеческое такое спасибо i give U a word, so now when U got it u got my ass n balls
Цитата
Непрочитано 19.02.2005, 23:28   # 9
 
Аватар для Jumper.
 
Регистрация: 22.02.2004
Адрес: КИЕВ троещина
Сообщений: 224
Jumper. вне форума
Если можно такой вопрос: если зделать бустер для магуры но на 2 болта, он не потеряет своих функцый? Будет ли он работать хуже?
+фота
Миниатюры
Нажмите на изображение для увеличения
Название: 1_243.jpg
Просмотров: 2851
Размер:	15.3 Кб
ID:	1566  
Цитата
Непрочитано 19.02.2005, 23:56   # 10
 
Аватар для Drew
 
Регистрация: 12.04.2004
Адрес: spirit world, ЮАО
Сообщений: 1,196
Отправить сообщение для Drew с помощью ICQ
Drew вне форума
у мя на магуре стоит бустер под 2 болта - все гуд, ТрайОлловские бустера тож такие-же есть
Цитата
Непрочитано 20.02.2005, 10:41   # 11
 
Регистрация: 29.04.2004
Сообщений: 24
FirMord вне форума
Цитата:
Сообщение от Rfdey
держи!
to All: прожу, чтоб эти чертежи дальше форума не ушли!
не хватает 1 проекции. например, непонятна, какая толщина у обоих бустеров, на сколько углубления (для уменьшения веса) делаются. ещё немаловажная деталь - видно, что у бустера для маги в месте крепления, есть канавка для шляпки (???) болтов , и опять непонятно, на какой она глубине.

а вообще спасибо за чертежи

из какого материала эти бустеры делаются? желательно марку и инфу по методу обработки.
Цитата
Непрочитано 20.02.2005, 11:24   # 12
 
Аватар для NoЯD
 
Регистрация: 14.08.2004
Адрес: Таллинн (EST)
Сообщений: 1,484
Отправить сообщение для NoЯD с помощью ICQ Отправить сообщение для NoЯD с помощью MSN
NoЯD вне форума
расчитывалось на 10мм бустер, углубления 5мм
Цитата
Непрочитано 20.02.2005, 12:43   # 13
 
Аватар для Drew
 
Регистрация: 12.04.2004
Адрес: spirit world, ЮАО
Сообщений: 1,196
Отправить сообщение для Drew с помощью ICQ
Drew вне форума
чуть меньше 5ти мм тк они вроде с обеих сторон делаются хотя я не уверен...
Цитата
Непрочитано 20.02.2005, 15:56   # 14
 
Аватар для NoЯD
 
Регистрация: 14.08.2004
Адрес: Таллинн (EST)
Сообщений: 1,484
Отправить сообщение для NoЯD с помощью ICQ Отправить сообщение для NoЯD с помощью MSN
NoЯD вне форума
с одной!... в данном случаи точно с одной!
Цитата
Непрочитано 20.02.2005, 16:09   # 15
 
Аватар для Rfdey
 
Регистрация: 28.01.2004
Адрес: Таллинн
Сообщений: 277
Rfdey вне форума
Цитата:
Сообщение от FirMord
Цитата:
Сообщение от Rfdey
держи!
to All: прожу, чтоб эти чертежи дальше форума не ушли!
не хватает 1 проекции. например, непонятна, какая толщина у обоих бустеров, на сколько углубления (для уменьшения веса) делаются. ещё немаловажная деталь - видно, что у бустера для маги в месте крепления, есть канавка для шляпки (???) болтов , и опять непонятно, на какой она глубине.

а вообще спасибо за чертежи

из какого материала эти бустеры делаются? желательно марку и инфу по методу обработки.
углубления на 5мм с одной стороны. Толщина 10мм.
Вопрос по материалам - это не ко мне. По обработке тоже - не я же их произвожу.
Может мне еще реферат написать по их производству
Цитата
Непрочитано 20.02.2005, 16:21   # 16
 
Аватар для cocktail
 
Регистрация: 21.06.2004
Адрес: Москва, Зеленоград
Возраст: 38
Сообщений: 2,580
Отправить сообщение для cocktail с помощью ICQ
cocktail вне форума
Большое человеческое спасибо!
Цитата
Непрочитано 21.02.2005, 05:37   # 17
 
Регистрация: 17.04.2002
Адрес: Aberdeen(Scotland)/Воронеж
Сообщений: 590
Отправить сообщение для trailmax с помощью ICQ
trailmax вне форума
2 Rfdey

Уж не SolidWorks ли это? ну очень похоже -) которая версия?
Цитата
Непрочитано 21.02.2005, 12:32   # 18
 
Аватар для Jumper.
 
Регистрация: 22.02.2004
Адрес: КИЕВ троещина
Сообщений: 224
Jumper. вне форума
Я делал бустер из дюрали д16т толщина 6мм. +дриллинг по всему бустеру вес 180г. Ваще не гнется!!
Цитата
Непрочитано 21.02.2005, 13:12   # 19
 
Аватар для Dimon
 
Регистрация: 08.12.2002
Адрес: Москва, Ясенево
Сообщений: 1,733
Отправить сообщение для Dimon с помощью ICQ Отправить сообщение для Dimon с помощью Yahoo
Dimon вне форума
СПАСИБА!
Цитата
Непрочитано 21.02.2005, 17:03   # 20
 
Аватар для Rfdey
 
Регистрация: 28.01.2004
Адрес: Таллинн
Сообщений: 277
Rfdey вне форума
делал в T-FLEX-е
скачать его можно здесь
http://www.topsystems.ru/products/free.htm
Цитата
Бустер!!! | by Artur
Ответить


Ваши права в разделе
Вы не можете создавать новые темы
Вы не можете отвечать в темах
Вы не можете прикреплять вложения
Вы не можете редактировать свои сообщения

BB коды Вкл.
Смайлы Вкл.
[IMG] код Вкл.
HTML код Выкл.

Быстрый переход


Часовой пояс GMT +4, время: 14:03.


Powered by vBulletin® Version 3.8.4
Copyright ©2000 - 2026, Jelsoft Enterprises Ltd. Перевод: zCarot