Мастерская Сломал детальку? Или придумал, как починить другую? Пиши сюда!
Ответить
Перейти к новому Перейти к новому   Опции темы Опции просмотра
По многочисленным просьбам:Переходник под диск,почти чертёж | by OGR
Непрочитано 26.03.2007, 01:24   # 21
 
Аватар для Fedorook
 
Регистрация: 04.12.2005
Адрес: Москва, район НаКуркино
Сообщений: 1,106
Отправить сообщение для Fedorook с помощью ICQ
Fedorook вне форума
ух, молодцом!
надеюсь, все получится классно. Ты с OGRЯ общался? он один сломал уже, надо бы узнать, к каком месте, и посмотреть, достаточно ли прочная конструкция у тебя
Цитата
Непрочитано 26.03.2007, 11:02   # 22
 
Аватар для Av0ddan
 
Регистрация: 28.02.2005
Адрес: Москва
Возраст: 35
Сообщений: 618
Байк: Because Trial 24"
Отправить сообщение для Av0ddan с помощью ICQ
Av0ddan вне форума
2 MiniMoor
Да, надо бы поговорить с OGRЯ.


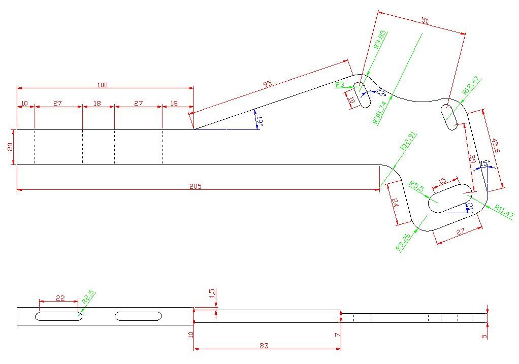
Вариант пока черновой, вынес на обсуждение. Сейчас вот думаю, что надо увеличить стенки у 2х верхник отверстий на пару мм. Ну и конечно попытаться выровнять все размеры.
Цитата
Непрочитано 26.03.2007, 12:17   # 23
 
Аватар для Av0ddan
 
Регистрация: 28.02.2005
Адрес: Москва
Возраст: 35
Сообщений: 618
Байк: Because Trial 24"
Отправить сообщение для Av0ddan с помощью ICQ
Av0ddan вне форума
Пообщался с OGRЯ, подогнал все размеры... вот что из этого вышло:
Миниатюры
Нажмите на изображение для увеличения
Название: disk_on_zhopa_3_200.jpg
Просмотров: 746
Размер:	59.1 Кб
ID:	16735  
Цитата
По многочисленным просьбам:Переходник под диск,почти чертёж | by OGR
Ответить

Опции темы
Опции просмотра

Ваши права в разделе
Вы не можете создавать новые темы
Вы не можете отвечать в темах
Вы не можете прикреплять вложения
Вы не можете редактировать свои сообщения

BB коды Вкл.
Смайлы Вкл.
[IMG] код Вкл.
HTML код Выкл.

Быстрый переход


Часовой пояс GMT +4, время: 20:04.


Powered by vBulletin® Version 3.8.4
Copyright ©2000 - 2026, Jelsoft Enterprises Ltd. Перевод: zCarot