biketrials.ru
Live!
Legend
Статьи
Медиа
О проекте
biketrials.ru
>
Общение
>
Мастерская
>
Нужен черчеж!!!!!!
Имя:
Пароль:
Запомнить?
Регистрация
Дневники
Дневники
Последние записи
Лучшие записи
Лучшие дневники
Список дневников
Поиск по дневникам
Справка
Сообщество
Изображения и альбомы
Пользователи
Календарь
Сообщения за день
Поиск
Мастерская
Сломал детальку? Или придумал, как починить другую? Пиши сюда!
К странице...
Ответить
Перейти к новому
Опции темы
Опции просмотра
Нужен черчеж!!!!!! | by
ДартМуР
30.01.2010, 03:10
# 1
ДартМуР
Регистрация: 06.10.2007
Адрес: Bialorus - Hrodno
Сообщений: 676
Записей в дневнике:
1
Байк: Echo Pure 07 with my edit =)
Нужен черчеж!!!!!!
Парни очень нужен черчеж рычага магуры под 4 пальца, либо эхо и других фирм. Очень срочно!!!
Цитата
ДартМуР
Посмотреть профиль
Отправить личное сообщение для ДартМуР
Найти ещё сообщения от ДартМуР
Читать дневник
30.01.2010, 03:47
# 2
ДартМуР
Регистрация: 06.10.2007
Адрес: Bialorus - Hrodno
Сообщений: 676
Записей в дневнике:
1
Байк: Echo Pure 07 with my edit =)
http://www.onlybikes.ru/catalog_show.php?id=383
вот такого!
Цитата
ДартМуР
Посмотреть профиль
Отправить личное сообщение для ДартМуР
Найти ещё сообщения от ДартМуР
Читать дневник
30.01.2010, 14:29
# 3
semz
Регистрация: 23.10.2008
Адрес: Челябинск
Возраст: 33
Сообщений: 1,637
Байк: ufo
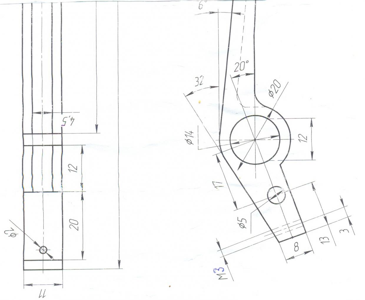
Чертеж большой,разделил на 2
Миниатюры
Цитата
semz
Посмотреть профиль
Отправить личное сообщение для semz
Найти ещё сообщения от semz
03.02.2010, 23:36
# 4
Ankl
Регистрация: 05.04.2004
Адрес: Питер, центр, БКЗ
Сообщений: 186
Учитель русского языка тут нужен.
Цитата
Ankl
Посмотреть профиль
Отправить личное сообщение для Ankl
Найти ещё сообщения от Ankl
Нужен черчеж!!!!!! | by
ДартМуР
Ответить
«
Предыдущая тема
|
Следующая тема
»
Опции темы
Версия для печати
Опции просмотра
Линейный вид
Комбинированный вид
Древовидный вид
Ваши права в разделе
Вы
не можете
создавать новые темы
Вы
не можете
отвечать в темах
Вы
не можете
прикреплять вложения
Вы
не можете
редактировать свои сообщения
BB коды
Вкл.
Смайлы
Вкл.
[IMG]
код
Вкл.
HTML код
Выкл.
Правила форума
Быстрый переход
Мой кабинет
Личные сообщения
Подписки
Кто на форуме
Поиск по форуму
Главная страница форума
Общение
Форум для новичков
English speaking forum
F.A.Q.
Куплю / Продам
Отзывы о покупателях и продавцах
Сборка байка
Техничка
Стрелки
Споты
Москва
Питер
Самара
Екатеринбург
Красноярск
Челябинск
Покатушки
Наши байки
Медиа
Трипы
Мастерская
Поломки
Статьи и Рассказы
Опросы
Забор
Авто
Фото
Музыка
Компьютеры
Игры на тему
Юмор
Сайт и Форум
Новости
События
Разное
Велоклуб "Титан"
Trial Group
Клуб "Мастер"
Народные новости
Mountain Bike Action (журнал)
Mountain Bike (журнал)
Extreme (журнал)
Проект biketrials.ru
Юнисайклы
Новости
Забор
Медиа
Стрелки
Статьи
F.A.Q. по сборке
Мастерская
Разное
События, отчеты
Байк
Montain Bike (статьи)
Это уже история
Магазины
Часовой пояс GMT +4, время:
18:14
.
-- Русский
-- English (US)
Обратная связь
-
Велотриал в России
-
Архив
-
Условия использования
-
Вверх
Powered by vBulletin® Version 3.8.4
Copyright ©2000 - 2026, Jelsoft Enterprises Ltd. Перевод:
zCarot