Мастерская Сломал детальку? Или придумал, как починить другую? Пиши сюда!
Ответить
  Опции темы Опции просмотра
Давайте соберем все чертежи и хэндмэйды! | by -=M@kBIOs=-
Непрочитано 17.11.2005, 12:08   # 1
 
Аватар для Kirill_K
 
Регистрация: 26.08.2003
Адрес: Удмуртия, Ижевск.
Возраст: 45
Сообщений: 1,889
Байк: GU_2013_26 7,9 кг.
Kirill_K вне форума
В чертеже рока для шимано есть ошибка - внутренний диаметр рока должен быть на 2 мм меньше для плотной посадки.
Цитата
Непрочитано 12.12.2005, 11:15   # 2
 
Аватар для AsP
 
Регистрация: 30.09.2005
Адрес: Estonia
Сообщений: 1,014
Отправить сообщение для AsP с помощью MSN
AsP вне форума
Народ укавонить есть чертёж и геометрия Рамы Zoo! Pitbull 2005 ?
Цитата
Непрочитано 27.12.2005, 17:57   # 3
 
Аватар для KopoBka aWaY (:
 
Регистрация: 03.05.2005
Адрес: Москва, Крылатские HILLS street
Сообщений: 290
Отправить сообщение для KopoBka aWaY (: с помощью ICQ
KopoBka aWaY (: вне форума
Цитата:
Сообщение от AsP
Народ укавонить есть чертёж и геометрия Рамы Zoo! Pitbull 2005 ?
Сам решил сварить?! )) А чего не маркавинко?! или БТ? (: хотя ЖУ тож неплохо

Ищу чертеж!
На морде стоит дисковый тормоз с 6 диском, хочу поставить 8 диск. Нужен чертеж этого переходника или крепления машинки под 8 диск.
Цитата
Непрочитано 09.01.2006, 15:06   # 4
 
Аватар для Moorick MTI
 
Регистрация: 08.06.2004
Адрес: Москва р-н Басманный
Сообщений: 1,458
Отправить сообщение для Moorick MTI с помощью ICQ
Moorick MTI вне форума
Цитата:
Сообщение от kirillka
В чертеже рока для шимано есть ошибка - внутренний диаметр рока должен быть на 2 мм меньше для плотной посадки.
С роком для эхо вообще всё фейк кроме внешнего диаметра, он на шатунах болтаться будет ) по 5-6 мм запаса для сведений резьба на шатуне под фривил 30мм а высота моего шатуна(трай) 38мм...
Цитата
Непрочитано 10.01.2006, 00:16   # 5
 
Аватар для kamez
 
Регистрация: 19.04.2005
Адрес: перебрался в Москву :)
Возраст: 35
Сообщений: 884
Байк: в процессе сбора
kamez вне форума
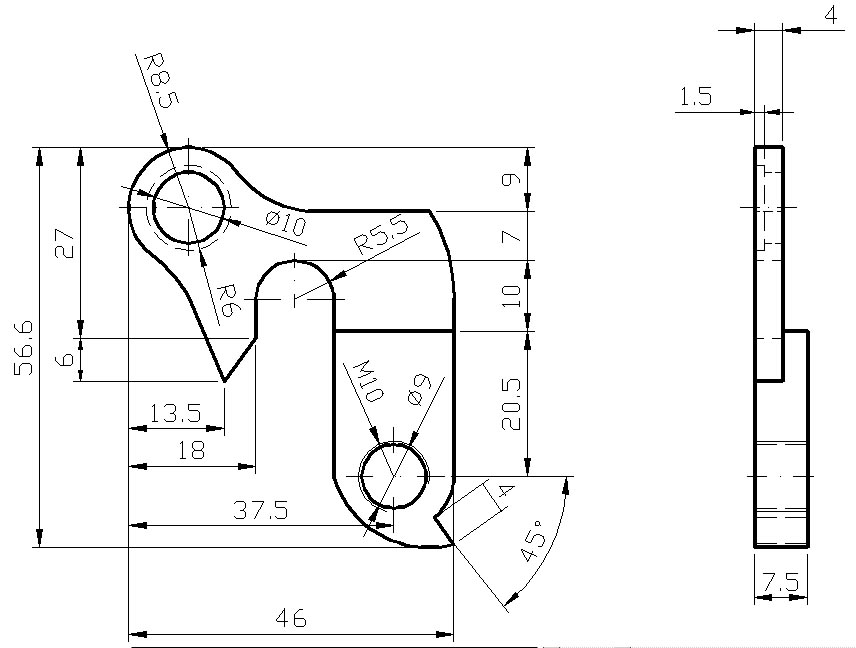
вот чертёж петуха для Echo, Zoo!, Gu, Kot, Koxx, Adamant, Czar... куда там он еще подходит? 3 часа рисовал
Миниатюры
Нажмите на изображение для увеличения
Название: ____________116.jpg
Просмотров: 2669
Размер:	139.1 Кб
ID:	7558  
Цитата
Непрочитано 25.01.2006, 20:32   # 6
 
Аватар для cliffy
 
Регистрация: 30.06.2005
Адрес: Tomsk, Russia
Сообщений: 272
Отправить сообщение для cliffy с помощью ICQ
cliffy вне форума
а есть ли у кого нибудь чертеж такого натяжителя: http://heatsinkbikes.com/content/tensioner/tens.jpg

может быть есть какие-нибудь другие чертежи натяжителей? буду благодарен
Цитата
Непрочитано 27.01.2006, 12:15   # 7
 
Аватар для Shizik
 
Регистрация: 18.08.2004
Адрес: Ukraine/Krivoy Rog
Сообщений: 339
Отправить сообщение для Shizik с помощью ICQ
Shizik вне форума
юзайте на здоровье. дизигнил сам...пару идей слямзено
Миниатюры
Нажмите на изображение для увеличения
Название: shatun1_896.jpg
Просмотров: 11057
Размер:	42.7 Кб
ID:	8022   Нажмите на изображение для увеличения
Название: my_999.jpg
Просмотров: 2975
Размер:	130.2 Кб
ID:	8023  
Цитата
Непрочитано 30.01.2006, 22:32   # 8
 
Аватар для Максимушка][@[keR aka NeT
 
Регистрация: 01.10.2005
Адрес: St. Petersburg Dybenko
Возраст: 36
Сообщений: 1,089
Байк: Stark TT04, ZHI ZM1
Отправить сообщение для Максимушка][@[keR aka NeT с помощью ICQ Отправить сообщение для Максимушка][@[keR aka NeT с помощью MSN
Максимушка][@[keR aka NeT вне форума
Круто! Я смотрю у вас там хорошие фрезеровшики остались! На Украине сам жил только вот таких мастеров не встречал! Респект!
Цитата
Непрочитано 03.02.2006, 06:35   # 9
 
Аватар для ProtoSoul
 
Регистрация: 17.04.2005
Адрес: Москва ,ЗАО
Сообщений: 1,237
Отправить сообщение для ProtoSoul с помощью ICQ
ProtoSoul вне форума
сколько кулибиных с тимирязевыми тут))прям заглядение...
Цитата
Непрочитано 07.02.2006, 15:36   # 10
 
Аватар для [INH]Serg_rus
 
Регистрация: 01.09.2005
Адрес: Челябинск
Возраст: 44
Сообщений: 1,029
Байк: Echo
[INH]Serg_rus вне форума
Петух для 4hun.
Миниатюры
Нажмите на изображение для увеличения
Название: ______4hun_561.jpg
Просмотров: 10637
Размер:	83.8 Кб
ID:	8316  
Цитата
Непрочитано 09.02.2006, 13:40   # 11
 
Аватар для [INH]Serg_rus
 
Регистрация: 01.09.2005
Адрес: Челябинск
Возраст: 44
Сообщений: 1,029
Байк: Echo
[INH]Serg_rus вне форума
Извини kamez, но твой чертеж мне не понравился и я решил сделать свой. Вот продукт моих трудов.
Миниатюры
Нажмите на изображение для увеличения
Название: ______echo_384.jpg
Просмотров: 10595
Размер:	76.9 Кб
ID:	8345  
Цитата
Непрочитано 19.02.2006, 11:44   # 12
 
Аватар для Magistr
 
Регистрация: 29.09.2005
Адрес: Волгоград
Возраст: 34
Сообщений: 1,375
Байк: Mk6
Отправить сообщение для Magistr с помощью ICQ
Magistr вне форума
Цитата:
Сообщение от АлёхА
вот
Это а какая ширина бустера echo???? а то чето или я не вижу или её там нету
Цитата
Непрочитано 01.04.2006, 08:23   # 13
 
Аватар для Cepree4
 
Регистрация: 29.08.2004
Адрес: Орехово-Зуево
Возраст: 38
Сообщений: 2,351
Записей в дневнике: 1
Байк: Zoo & Cube
Отправить сообщение для Cepree4 с помощью ICQ
Cepree4 вне форума
Есть у кого нить чертеж креплений под магу 4х болтовую*???
Цитата
Непрочитано 09.04.2006, 04:11   # 14
Очумелые ручки
 
Аватар для Water
 
Регистрация: 16.12.2005
Адрес: ювао
Возраст: 37
Сообщений: 2,207
Записей в дневнике: 2
Байк: простой
Отправить сообщение для Water с помощью ICQ
Water вне форума
уважаемые форумчане) сердечно прошу вас выложить чертеж 4 болтовых крепов под магуру, ежели у кого валяется) буду очень благодарен)))))
Цитата
Непрочитано 11.04.2006, 19:46   # 15
 
Регистрация: 11.09.2005
Сообщений: 4
Отправить сообщение для Dmitriy с помощью ICQ
Dmitriy вне форума
Ну так кто-нибудь нормальный чертеж бустера Echo Control может скинуть?
Цитата
Непрочитано 12.04.2006, 21:13   # 16
 
Регистрация: 11.09.2005
Сообщений: 4
Отправить сообщение для Dmitriy с помощью ICQ
Dmitriy вне форума
Есть нормальный чертеж ECHO TEAM(сделанный проффесиональным конструктором, можно прям нести на завод, ничего не обьясняя), если кому надо в ЛС или мылом. Просьба, может кто с прямыми руками сможет снять размры(и от руки нарисовать) Control-ский бустер, а я нарисую уже нормальный чертеж.
Цитата
Непрочитано 26.04.2006, 00:14   # 17
 
Аватар для AsP
 
Регистрация: 30.09.2005
Адрес: Estonia
Сообщений: 1,014
Отправить сообщение для AsP с помощью MSN
AsP вне форума
а есть чертёж на петух для Stark tt 04 ато я свой почти убил хочу титановый на заказ или из стали прочной... ато он гад гнётся весь =(
и желательно ещёб чертёжик для рока на 4 болта под 22 звезду тока нормальный... ато я сделал по выше даному 4мм =/ прыгнул он погнулся решил сделать по шыре и перебрал на 1.4см терь хоч унорм чертёж
Цитата
Непрочитано 08.05.2006, 21:57   # 18
 
Аватар для cliffy
 
Регистрация: 30.06.2005
Адрес: Tomsk, Russia
Сообщений: 272
Отправить сообщение для cliffy с помощью ICQ
cliffy вне форума
ищется чертеж съемника для трещотки ACS. может, есть у кого-нибудь?
Цитата
Непрочитано 13.06.2006, 21:57   # 19
 
Аватар для Magistr
 
Регистрация: 29.09.2005
Адрес: Волгоград
Возраст: 34
Сообщений: 1,375
Байк: Mk6
Отправить сообщение для Magistr с помощью ICQ
Magistr вне форума
это, а у когонть есть чертеж переходника с 4б на Vее???
Цитата
Непрочитано 13.06.2006, 22:12   # 20
 
Аватар для Dimon
 
Регистрация: 08.12.2002
Адрес: Москва, Ясенево
Сообщений: 1,733
Отправить сообщение для Dimon с помощью ICQ Отправить сообщение для Dimon с помощью Yahoo
Dimon вне форума
Цитата:
Сообщение от Magistr
это, а у когонть есть чертеж переходника с 4б на Vее???
Я его несколько раз выкладывал
даже статью писал

поищи она есть на форуме точно!
Цитата
Давайте соберем все чертежи и хэндмэйды! | by -=M@kBIOs=-
Ответить


Ваши права в разделе
Вы не можете создавать новые темы
Вы не можете отвечать в темах
Вы не можете прикреплять вложения
Вы не можете редактировать свои сообщения

BB коды Вкл.
Смайлы Вкл.
[IMG] код Вкл.
HTML код Выкл.

Быстрый переход


Часовой пояс GMT +4, время: 15:35.


Powered by vBulletin® Version 3.8.4
Copyright ©2000 - 2026, Jelsoft Enterprises Ltd. Перевод: zCarot