Мастерская Сломал детальку? Или придумал, как починить другую? Пиши сюда!
Ответить
Перейти к новому Перейти к новому   Опции темы Опции просмотра
Давайте соберем все чертежи и хэндмэйды! | by -=M@kBIOs=-
Непрочитано 26.03.2008, 16:53   # 61
 
Аватар для [INH]Serg_rus
 
Регистрация: 01.09.2005
Адрес: Челябинск
Возраст: 44
Сообщений: 1,029
Байк: Echo
[INH]Serg_rus вне форума
pasha bruiser, если ничего дельного выложить сюда не можешь, лучше вообще ничего не пиши. Съемник он сделал... Хоть бы фото выложил.
Цитата
Непрочитано 27.03.2008, 13:26   # 62
 
Аватар для pasha bruiser
 
Регистрация: 23.05.2005
Адрес: Саратов
Возраст: 46
Сообщений: 31
Байк: собираю
pasha bruiser вне форума
[INH]Serg_rus

если ты такой рукадельник, почемуб тебе кайла встатускартинку самому несмострячить, насчет съемника ятебе цитирую дословно: ширина шлица в съемнике 8,5 мм высота отбалды чтоб только туда шлиц фривила провалился, а и главное для слабопомнящих нужно знать при изготовлении что шлицов пилять всего четыре )
короче пацаны, незапаривайтесь просто тратьте денежки все уже придумано
Цитата
Непрочитано 27.03.2008, 14:38   # 63
 
Аватар для [INH]Serg_rus
 
Регистрация: 01.09.2005
Адрес: Челябинск
Возраст: 44
Сообщений: 1,029
Байк: Echo
[INH]Serg_rus вне форума
Некоторые вещи я сам сделать не могу, как например -- рисую я хреново. Поэтому и смастерил в конструкторе. И это не Кайл.
А вообще у меня руки растут из правильного места, это знают все мои друзья.
Понятно, что съемник простая деталь, я просто хотел посмотреть что у тебя в результате вышло.

P.S.
Над грамотностью не мешало бы поработать.
Цитата
Непрочитано 06.06.2008, 02:45   # 64
Очумелые ручки
 
Аватар для Water
 
Регистрация: 16.12.2005
Адрес: ювао
Возраст: 37
Сообщений: 2,207
Записей в дневнике: 2
Байк: простой
Отправить сообщение для Water с помощью ICQ
Water вне форума
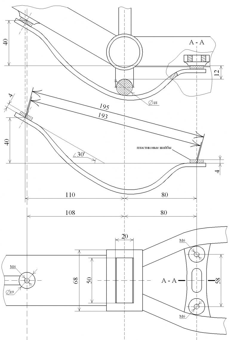
вот поигрались с осью для криса.....

обозначены основные размеры и тд.. так же указана шороховатость в том месте, где стоит роликовый подшипник внутри барабана.... при изготовлении важно указать, что эту часть нужно сделать ровно под размер, чтобы люфт был оптимальным... не больше ни меньше)(
Миниатюры
Нажмите на изображение для увеличения
Название: ccf06062008_00004_______144.jpg
Просмотров: 1582
Размер:	195.2 Кб
ID:	24188   Нажмите на изображение для увеличения
Название: ccf06062008_00003_______350.jpg
Просмотров: 1272
Размер:	157.4 Кб
ID:	24189  
Цитата
Непрочитано 05.11.2008, 03:06   # 65
 
Аватар для [Dissocial]
 
Регистрация: 14.07.2007
Адрес: Пипецк
Возраст: 36
Сообщений: 25
Отправить сообщение для [Dissocial] с помощью ICQ
[Dissocial] вне форума
Вот такие вот переходники.. Юзаю сам, всё нормально, тока продрилил их между отверстиями..

ПыСы: сорри что такой жуткий внешний вид, они немного покоцались во время дрилинга)) скоро пойдут на перекраску+))
Миниатюры
Нажмите на изображение для увеличения
Название: 009_539.jpg
Просмотров: 1936
Размер:	59.2 Кб
ID:	25616   Нажмите на изображение для увеличения
Название: ____________252.jpg
Просмотров: 1664
Размер:	38.8 Кб
ID:	25617  
Цитата
Непрочитано 19.03.2009, 22:40   # 66
 
Аватар для Rumyantsev Dmitry
 
Регистрация: 03.11.2007
Адрес: Третья столица ! Kazan, Derbishki smal lux town
Возраст: 38
Сообщений: 600
Записей в дневнике: 4
Байк: Ozonys curve V3 на Rutech железе
Rumyantsev Dmitry вне форума

Натяжитель цепи для мод байков.
Цитата
Непрочитано 22.03.2009, 04:05   # 67
 
Аватар для Levelboss_
 
Регистрация: 31.12.2007
Адрес: Украина->Херсон
Возраст: 34
Сообщений: 249
Записей в дневнике: 1
Байк: Pinigin 168
Отправить сообщение для Levelboss_ с помощью ICQ
Levelboss_ вне форума
огромное спасибо за натяжок
Цитата
Непрочитано 23.03.2009, 03:31   # 68
 
Аватар для Rumyantsev Dmitry
 
Регистрация: 03.11.2007
Адрес: Третья столица ! Kazan, Derbishki smal lux town
Возраст: 38
Сообщений: 600
Записей в дневнике: 4
Байк: Ozonys curve V3 на Rutech железе
Rumyantsev Dmitry вне форума
Что пригодился? Его можно еще просверлить для лёгкости)
Цитата
Непрочитано 24.03.2009, 00:27   # 69
 
Аватар для Ромашка
 
Регистрация: 13.12.2008
Адрес: Саранск
Возраст: 33
Сообщений: 1,175
Записей в дневнике: 4
Байк: пакрасате
Отправить сообщение для Ромашка с помощью ICQ
Ромашка вне форума
Мб есть у каво чертёж колёсика от ручки маги?
Цитата
Непрочитано 17.04.2009, 15:08   # 70
 
Аватар для Jeks
 
Регистрация: 25.08.2007
Адрес: UA
Возраст: 37
Сообщений: 284
Jeks вне форума
Может кто сделать чертежик корпусов хедсинк или рок под брейки? или просто померить размеры толщину,ширину,длину и глубину под компаунд
Цитата
Непрочитано 20.04.2009, 23:30   # 71
 
Аватар для PeSHeHoD
 
Регистрация: 21.01.2008
Адрес: Череповец - Питер
Возраст: 38
Сообщений: 1,397
Записей в дневнике: 5
Байк: Бекос 24
Отправить сообщение для PeSHeHoD с помощью ICQ
PeSHeHoD вне форума
админы и модеры, может тему почистить?
Миниатюры
Нажмите на изображение для увеличения
Название: бешгард.jpg
Просмотров: 1005
Размер:	87.3 Кб
ID:	27177   Нажмите на изображение для увеличения
Название: вила.jpg
Просмотров: 909
Размер:	88.3 Кб
ID:	27178   Нажмите на изображение для увеличения
Название: обод.JPG
Просмотров: 891
Размер:	21.7 Кб
ID:	27179   Нажмите на изображение для увеличения
Название: под вии с маги.jpg
Просмотров: 901
Размер:	91.5 Кб
ID:	27180   Нажмите на изображение для увеличения
Название: Рисунок1.jpg
Просмотров: 883
Размер:	80.4 Кб
ID:	27181  

Нажмите на изображение для увеличения
Название: рок.jpg
Просмотров: 800
Размер:	68.2 Кб
ID:	27182   Нажмите на изображение для увеличения
Название: Рисунок2.jpg
Просмотров: 759
Размер:	64.5 Кб
ID:	27183  
Цитата
Непрочитано 07.05.2009, 04:35   # 72
 
Аватар для MASHINKAS
 
Регистрация: 16.03.2008
Адрес: Москва, Измайлово
Сообщений: 124
Отправить сообщение для MASHINKAS с помощью ICQ
MASHINKAS вне форума
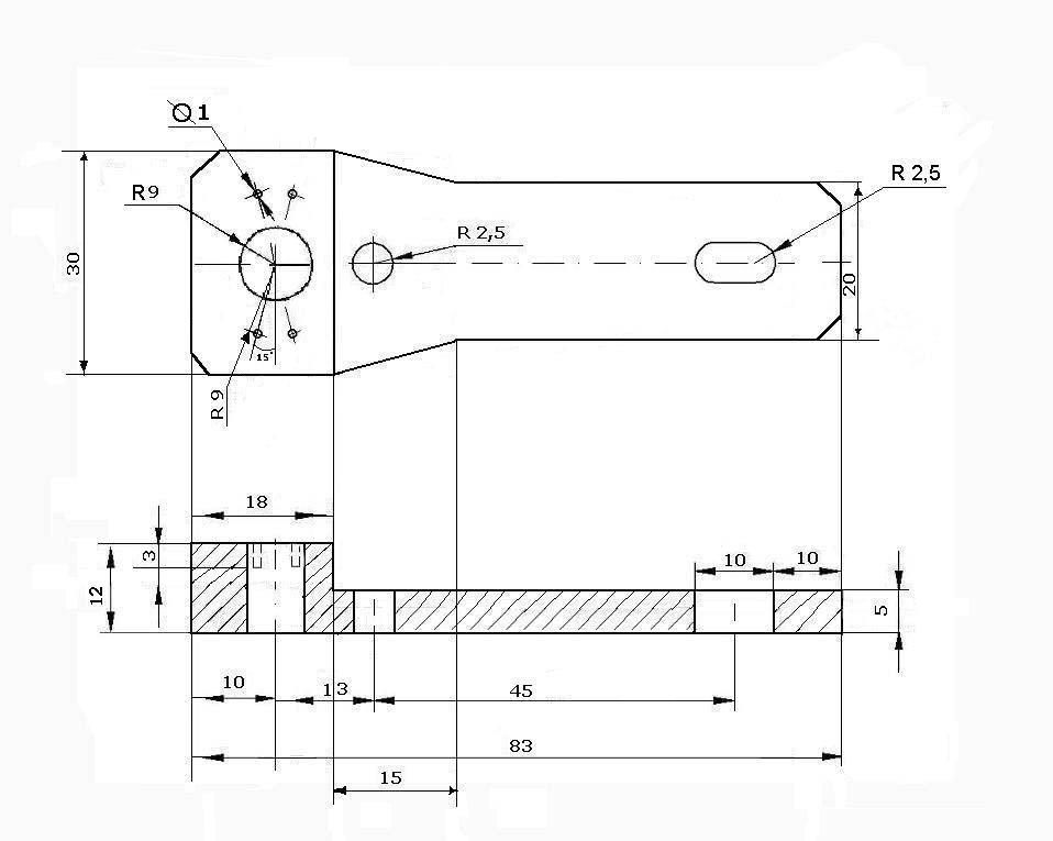
вот недавно крепы себе заказал, а чертежом поделюсь
Для нижних деталей снять 2мм!
Миниатюры
Нажмите на изображение для увеличения
Название: Безымянный2.jpg
Просмотров: 802
Размер:	10.9 Кб
ID:	27351   Нажмите на изображение для увеличения
Название: Безымянный.jpg
Просмотров: 897
Размер:	9.5 Кб
ID:	27352   Нажмите на изображение для увеличения
Название: Безымянный3.jpg
Просмотров: 677
Размер:	5.9 Кб
ID:	27353  
Цитата
Непрочитано 07.05.2009, 05:07   # 73
 
Аватар для PeSHeHoD
 
Регистрация: 21.01.2008
Адрес: Череповец - Питер
Возраст: 38
Сообщений: 1,397
Записей в дневнике: 5
Байк: Бекос 24
Отправить сообщение для PeSHeHoD с помощью ICQ
PeSHeHoD вне форума
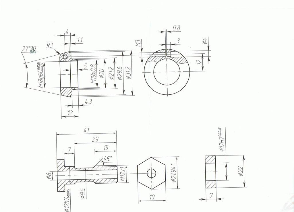
Цитата:
Сообщение от mashinkas Посмотреть сообщение
вот недавно крепы себе заказал, а чертежом поделюсь
Для нижних деталей снять 2мм!
а как на твоем чертеже учитывается внутренняя сферическая поверхность крепежа?
Цитата
Непрочитано 07.05.2009, 14:18   # 74
 
Аватар для MASHINKAS
 
Регистрация: 16.03.2008
Адрес: Москва, Измайлово
Сообщений: 124
Отправить сообщение для MASHINKAS с помощью ICQ
MASHINKAS вне форума
она там цилиндрическая
большого смысла в сферической не вижу
Цитата
Непрочитано 01.06.2009, 23:19   # 75
 
Аватар для ТИКЕН РАЙДЕР
 
Регистрация: 01.06.2009
Адрес: Калининград(Россия)
Возраст: 32
Сообщений: 6
Байк: bionic b1 сток
ТИКЕН РАЙДЕР вне форума
вот это мастераааааааааа


натяжки убили просто!
Цитата
Непрочитано 17.08.2009, 11:33   # 76
 
Аватар для [INH]Serg_rus
 
Регистрация: 01.09.2005
Адрес: Челябинск
Возраст: 44
Сообщений: 1,029
Байк: Echo
[INH]Serg_rus вне форума
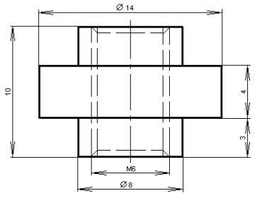
Два чертежа.
1. TPA, она же -- крутилка для маги. Недавно заказывал себе и друзьям. Изготовили из алюминия по 50 руб. за штуку. Насечки делал сам, теперь у всех сплошной эксклюзив
2. Поршень для Avid Juicy. Сейчас изготавливают, как протестю -- отпишусь.
Миниатюры
Нажмите на изображение для увеличения
Название: TPA2.jpg
Просмотров: 676
Размер:	11.7 Кб
ID:	29223   Нажмите на изображение для увеличения
Название: avid piston.jpg
Просмотров: 680
Размер:	12.8 Кб
ID:	29224  
Цитата
Непрочитано 17.08.2009, 11:43   # 77
Ильнур
 
Аватар для JumpingMaster
 
Регистрация: 24.08.2004
Адрес: Сан Диего
Возраст: 40
Сообщений: 7,757
Записей в дневнике: 16
Байк: Zoo! Pitbull 06.
Отправить сообщение для JumpingMaster с помощью ICQ
JumpingMaster вне форума
Цитата:
Сообщение от mashinkas Посмотреть сообщение
она там цилиндрическая
большого смысла в сферической не вижу
а вот и зря. в эту необходимую сферическую поверхность попадают те пластиковые кольца, что обхватывают бачок и с помощью которых ты двигаешь и закрепляешь его. если там будет все ровно-хз как его держать будет.
Цитата
Непрочитано 17.08.2009, 23:11   # 78
 
Аватар для Ромашка
 
Регистрация: 13.12.2008
Адрес: Саранск
Возраст: 33
Сообщений: 1,175
Записей в дневнике: 4
Байк: пакрасате
Отправить сообщение для Ромашка с помощью ICQ
Ромашка вне форума
ту [INH]Serg_rus

И всем кого интересует хенд мейд колёсика для маги. Делается из алюминия у токаря)
Миниатюры
Нажмите на изображение для увеличения
Название: Колесико)).jpg
Просмотров: 729
Размер:	10.1 Кб
ID:	29239  
Цитата
Непрочитано 18.08.2009, 10:42   # 79
 
Аватар для [INH]Serg_rus
 
Регистрация: 01.09.2005
Адрес: Челябинск
Возраст: 44
Сообщений: 1,029
Байк: Echo
[INH]Serg_rus вне форума
Рисунок не открывается, да и не особо нужен. У меня 20 крутилок сделанных по моему чертежу.
Цитата
Непрочитано 23.11.2009, 18:52   # 80
 
Аватар для kripich
 
Регистрация: 29.08.2009
Адрес: Москва, Басманный район
Возраст: 38
Сообщений: 269
Байк: Echo_Urban, Trialtech,TryAll, Hope,Thomson,RaceFace, DT,KHE,Magura,Avid, Gusset,AlexRims,Alienation
Отправить сообщение для kripich с помощью ICQ
kripich вне форума
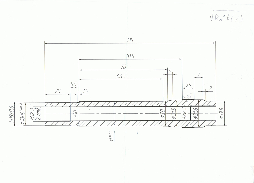
Титановая вилка
длина 400мм, выбег 45мм
шток длина 210мм, толщина стенки переменная, макс = 3,5мм
ноги прямые, диаметр 32мм, толщина стенки 1,2мм.
Вес с крепежком диска и усилком на штоке/ногах 800гр.
Миниатюры
Нажмите на изображение для увеличения
Название: 3.jpg
Просмотров: 716
Размер:	89.1 Кб
ID:	31034   Нажмите на изображение для увеличения
Название: 8.jpg
Просмотров: 692
Размер:	38.4 Кб
ID:	31035   Нажмите на изображение для увеличения
Название: 9.jpg
Просмотров: 696
Размер:	83.1 Кб
ID:	31036  
Цитата
Давайте соберем все чертежи и хэндмэйды! | by -=M@kBIOs=-
Ответить


Ваши права в разделе
Вы не можете создавать новые темы
Вы не можете отвечать в темах
Вы не можете прикреплять вложения
Вы не можете редактировать свои сообщения

BB коды Вкл.
Смайлы Вкл.
[IMG] код Вкл.
HTML код Выкл.

Быстрый переход


Часовой пояс GMT +4, время: 09:05.


Powered by vBulletin® Version 3.8.4
Copyright ©2000 - 2026, Jelsoft Enterprises Ltd. Перевод: zCarot