F.A.Q. У тебя, наверное, появилось много вопросов? Задай их в этом форуме, и тебе обязательно ответят!
Ответить
Перейти к новому Перейти к новому   Опции темы Опции просмотра
Есть ли у кого-нибудь чертеж тормозного рычага? | by Adamant_A1
Непрочитано 23.02.2011, 21:14   # 1
 
Аватар для Adamant_A1
 
Регистрация: 06.04.2009
Адрес: Самара
Сообщений: 2,500
Байк: ZOO! 2011 (Adamant_A1) - Echo Urban - Echo - Rockbar -Magura - Zhi
Отправить сообщение для Adamant_A1 с помощью ICQ
Adamant_A1 вне форума
По умолчанию Есть ли у кого-нибудь чертеж тормозного рычага?
сабж.. лучше под 4 пальца) мало ли кто где видел, делал..
Цитата
Непрочитано 23.02.2011, 21:29   # 2
 
Аватар для zayac
 
Регистрация: 05.09.2009
Адрес: Вологда
Возраст: 34
Сообщений: 923
Байк: GU20"
Отправить сообщение для zayac с помощью ICQ
zayac вне форума
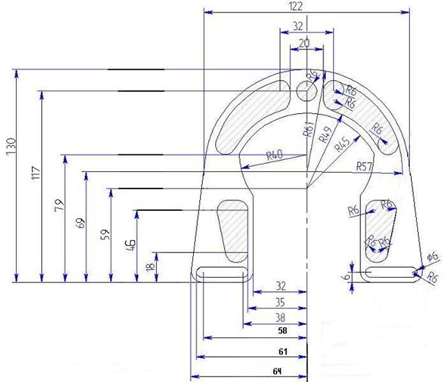
держи
Миниатюры
Нажмите на изображение для увеличения
Название: чертеж рычага ммаги1.jpg
Просмотров: 491
Размер:	75.0 Кб
ID:	38939   Нажмите на изображение для увеличения
Название: чертеж рычага ммаги2.jpg
Просмотров: 420
Размер:	73.4 Кб
ID:	38940  
Цитата
Непрочитано 23.02.2011, 21:30   # 3
 
Аватар для zayac
 
Регистрация: 05.09.2009
Адрес: Вологда
Возраст: 34
Сообщений: 923
Байк: GU20"
Отправить сообщение для zayac с помощью ICQ
zayac вне форума
это один чертёж просто разделен на два листа
Цитата
Непрочитано 23.02.2011, 21:34   # 4
 
Аватар для Adamant_A1
 
Регистрация: 06.04.2009
Адрес: Самара
Сообщений: 2,500
Байк: ZOO! 2011 (Adamant_A1) - Echo Urban - Echo - Rockbar -Magura - Zhi
Отправить сообщение для Adamant_A1 с помощью ICQ
Adamant_A1 вне форума
огромное спасибо чувак!!
Цитата
Непрочитано 23.02.2011, 22:02   # 5
 
Аватар для semz
 
Регистрация: 23.10.2008
Адрес: Челябинск
Возраст: 33
Сообщений: 1,637
Байк: ufo
Отправить сообщение для semz с помощью ICQ
semz вне форума
только этот немного длинее маговского под 4 пальца )
эксперементальной модели не было, сломаться вроде не должен )
Цитата
Непрочитано 23.02.2011, 22:07   # 6
 
Аватар для Adamant_A1
 
Регистрация: 06.04.2009
Адрес: Самара
Сообщений: 2,500
Байк: ZOO! 2011 (Adamant_A1) - Echo Urban - Echo - Rockbar -Magura - Zhi
Отправить сообщение для Adamant_A1 с помощью ICQ
Adamant_A1 вне форума
Цитата:
Сообщение от semz Посмотреть сообщение
только этот немного длинее маговского под 4 пальца )
ага) я ща измерил под 4 пальца.. он 140, а на фото 160 - сила)
Цитата
Непрочитано 23.02.2011, 22:36   # 7
 
Аватар для Fish_Jam
 
Регистрация: 18.05.2010
Адрес: Тирасполь
Возраст: 35
Сообщений: 215
Байк: MOD ZOO 20" 9,500 kg
Отправить сообщение для Fish_Jam с помощью ICQ
Fish_Jam вне форума
ооо чувак спасибо огромное за чертёж !!!!!

давно искал !
Цитата
Непрочитано 23.02.2011, 22:47   # 8
 
Аватар для zayac
 
Регистрация: 05.09.2009
Адрес: Вологда
Возраст: 34
Сообщений: 923
Байк: GU20"
Отправить сообщение для zayac с помощью ICQ
zayac вне форума
да не за что) если изготовите рычаги выложите потом что получилось интересно посмотреть
ЗЫ: есть ещё чертёж бустера и колодок для магуры
Цитата
Непрочитано 23.02.2011, 23:10   # 9
 
Аватар для semz
 
Регистрация: 23.10.2008
Адрес: Челябинск
Возраст: 33
Сообщений: 1,637
Байк: ufo
Отправить сообщение для semz с помощью ICQ
semz вне форума
выложи пожалуйста чертеж колодок для маги ))
Цитата
Непрочитано 23.02.2011, 23:11   # 10
 
Аватар для Adamant_A1
 
Регистрация: 06.04.2009
Адрес: Самара
Сообщений: 2,500
Байк: ZOO! 2011 (Adamant_A1) - Echo Urban - Echo - Rockbar -Magura - Zhi
Отправить сообщение для Adamant_A1 с помощью ICQ
Adamant_A1 вне форума
Цитата:
Сообщение от zayac Посмотреть сообщение
да не за что) если изготовите рычаги выложите потом что получилось интересно посмотреть
ЗЫ: есть ещё чертёж бустера и колодок для магуры
Ок..
Инженер чтоли? все чертишь? *)
Цитата
Непрочитано 23.02.2011, 23:13   # 11
 
Аватар для semz
 
Регистрация: 23.10.2008
Адрес: Челябинск
Возраст: 33
Сообщений: 1,637
Байк: ufo
Отправить сообщение для semz с помощью ICQ
semz вне форума
чертеж рычага я делал )
Цитата
Непрочитано 23.02.2011, 23:19   # 12
 
Аватар для Adamant_A1
 
Регистрация: 06.04.2009
Адрес: Самара
Сообщений: 2,500
Байк: ZOO! 2011 (Adamant_A1) - Echo Urban - Echo - Rockbar -Magura - Zhi
Отправить сообщение для Adamant_A1 с помощью ICQ
Adamant_A1 вне форума
вот это прикол)
Цитата
Непрочитано 23.02.2011, 23:40   # 13
 
Аватар для zayac
 
Регистрация: 05.09.2009
Адрес: Вологда
Возраст: 34
Сообщений: 923
Байк: GU20"
Отправить сообщение для zayac с помощью ICQ
zayac вне форума
не, не черчу, просто когда выкладывают где-то иливижу то сохраеняю себе
Миниатюры
Нажмите на изображение для увеличения
Название: чертёж корпуса колодок.png
Просмотров: 378
Размер:	16.9 Кб
ID:	38941   Нажмите на изображение для увеличения
Название: чертёж корпуса колодок2.png
Просмотров: 364
Размер:	10.8 Кб
ID:	38942   Нажмите на изображение для увеличения
Название: бустер чертёж.jpg
Просмотров: 368
Размер:	49.3 Кб
ID:	38943  
Цитата
Непрочитано 23.02.2011, 23:45   # 14
 
Аватар для Adamant_A1
 
Регистрация: 06.04.2009
Адрес: Самара
Сообщений: 2,500
Байк: ZOO! 2011 (Adamant_A1) - Echo Urban - Echo - Rockbar -Magura - Zhi
Отправить сообщение для Adamant_A1 с помощью ICQ
Adamant_A1 вне форума
а по поводу последних фоток узнать можно? это что, чертеж основ для vee?
Цитата
Непрочитано 23.02.2011, 23:51   # 15
 
Аватар для zayac
 
Регистрация: 05.09.2009
Адрес: Вологда
Возраст: 34
Сообщений: 923
Байк: GU20"
Отправить сообщение для zayac с помощью ICQ
zayac вне форума
из последних - да. для ви, на всякий случай выложил, вдруг кому пригодится
для маги вот ищу ищууу, на старом компе где-то валяются, постараюсь найти сегодня-завтра
Цитата
Непрочитано 23.02.2011, 23:54   # 16
 
Аватар для Adamant_A1
 
Регистрация: 06.04.2009
Адрес: Самара
Сообщений: 2,500
Байк: ZOO! 2011 (Adamant_A1) - Echo Urban - Echo - Rockbar -Magura - Zhi
Отправить сообщение для Adamant_A1 с помощью ICQ
Adamant_A1 вне форума
за Vee тебе еще один РЕСПЕКТ! приезжай в Самару - руку пожму
Цитата
Непрочитано 23.02.2011, 23:56   # 17
 
Аватар для zayac
 
Регистрация: 05.09.2009
Адрес: Вологда
Возраст: 34
Сообщений: 923
Байк: GU20"
Отправить сообщение для zayac с помощью ICQ
zayac вне форума
ахахаха. да нее, для ви чертёж на bt где-то этот висит, я его помню что сохранял отсюда)) ресект тому, кто его сделал))
Цитата
Непрочитано 24.02.2011, 00:02   # 18
 
Аватар для Yazik
 
Регистрация: 04.02.2009
Адрес: Москва,первомайская
Возраст: 33
Сообщений: 2,882
Записей в дневнике: 2
Байк: zoo 05
Отправить сообщение для Yazik с помощью ICQ
Yazik вне форума
в Одессе пацаны делали рычаги на хс 11 и 33 2004 года
с ноута за комп сяду - покажу их) ...ну постораюсь найти
Цитата
Есть ли у кого-нибудь чертеж тормозного рычага? | by Adamant_A1
Ответить


Ваши права в разделе
Вы не можете создавать новые темы
Вы не можете отвечать в темах
Вы не можете прикреплять вложения
Вы не можете редактировать свои сообщения

BB коды Вкл.
Смайлы Вкл.
[IMG] код Вкл.
HTML код Выкл.

Быстрый переход


Часовой пояс GMT +4, время: 07:16.


Powered by vBulletin® Version 3.8.4
Copyright ©2000 - 2026, Jelsoft Enterprises Ltd. Перевод: zCarot