Забор Что можно написать на заборе? Да все, что угодно!
Ответить
Перейти к новому Перейти к новому   Опции темы Опции просмотра
Гор. дропы 135 мм и натяжение цепи... | by Arrt
Непрочитано 12.12.2010, 14:04   # 1
 
Аватар для Arrt
 
Регистрация: 24.10.2003
Адрес: СПб
Возраст: 40
Сообщений: 990
Байк: 20" & 26"
Отправить сообщение для Arrt с помощью ICQ
Arrt вне форума
По умолчанию Гор. дропы 135 мм и натяжение цепи...
Всем доброго времени суток!
Вопрос такой - как натянуть цепь, если рама с горизонтальными дропами и стоит втулка со 135-ти мм осью? Нужно спиливать пыльники на втулке на толщину улиток или есть более технологичные способы?
P.S. Рама Because Street 24" и втулка V!Z Single Speed Disc.
Цитата
Непрочитано 12.12.2010, 14:17   # 2
 
Аватар для Driver
 
Регистрация: 31.05.2009
Адрес: Новосибирск
Возраст: 35
Сообщений: 1,226
Байк: Adamant A1 long 06
Отправить сообщение для Driver с помощью ICQ
Driver вне форума
А без спиливания улитки не встают разве?
Цитата
Непрочитано 12.12.2010, 14:18   # 3
 
Аватар для Barm_NK
 
Регистрация: 23.10.2006
Адрес: Москва, Щукино
Возраст: 36
Сообщений: 3,440
Записей в дневнике: 45
Байк: 24"
Отправить сообщение для Barm_NK с помощью ICQ
Barm_NK вне форума
Я лично вместо пылников такие же по диаметру шайбы поставил и потом уже натяги. Все ок, катаюсь так уже больше полугода.
Цитата
Непрочитано 12.12.2010, 14:21   # 4
 
Аватар для KOSHMAR
 
Регистрация: 17.12.2008
Адрес: Москва ВАО
Возраст: 33
Сообщений: 1,226
Записей в дневнике: 1
Байк: Triton
KOSHMAR вне форума
Думаю нет смысла пилить втулку за 4700.Выход конечно есть.
1)раздвинуть перья и запихать туда втулку с улитками(если ось в дропах на 50-60% осталась можно смело катать).
2)либо искать,точить улитки потоньше.
3)или как сделал я. Поставил ПУХ-натяг в горизонтальные дропауты.
Цитата
Непрочитано 12.12.2010, 14:23   # 5
 
Аватар для Arrt
 
Регистрация: 24.10.2003
Адрес: СПб
Возраст: 40
Сообщений: 990
Байк: 20" & 26"
Отправить сообщение для Arrt с помощью ICQ
Arrt вне форума
Если не спиливать и ничего другого не придумывать, то улитки встанут, только если попытаться перья сильно разжать, а это не есть хорошо
Цитата
Непрочитано 12.12.2010, 14:24   # 6
 
Аватар для KOSHMAR
 
Регистрация: 17.12.2008
Адрес: Москва ВАО
Возраст: 33
Сообщений: 1,226
Записей в дневнике: 1
Байк: Triton
KOSHMAR вне форума
Цитата:
Сообщение от Barm_NK Посмотреть сообщение
Я лично вместо пылников такие же по диаметру шайбы поставил и потом уже натяги. Все ок, катаюсь так уже больше полугода.
ВОО! лучший способ!
Иди в автозапчасти и покупай байбочки.Наберешь нужное кол-во с одной и другой стороны и улитки точно встанут как надо.
Один минус шайбы весят дохрена,но думаю тут это неважно.
Цитата
Непрочитано 12.12.2010, 14:49   # 7
 
Аватар для Серж STem
 
Регистрация: 27.03.2006
Адрес: Питер, Гатчина
Возраст: 43
Сообщений: 3,810
Байк: разные
Серж STem вне форума
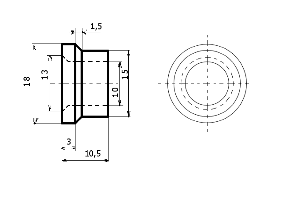
какие-то вы бешеные способы предлагаете. я на втулке эхо сделал так: правый "пыльник" поставил налево, так как он короче левого на 3 мм, а на правую сторону выточил у токаря такой же, но ещё короче. чтобы в сумме с улитками было 135 мм. цена вопроса 100 р. ну или меньше, если токарь знакомый. и выглядит как надо, а не шайбочки..

Миниатюры
Нажмите на изображение для увеличения
Название: втулка на эхо.gif
Просмотров: 445
Размер:	26.2 Кб
ID:	37914  
Последний раз редактировалось Серж STem; 12.12.2010 в 14:53.
Цитата
Непрочитано 12.12.2010, 14:59   # 8
человек-загадка
 
Аватар для ostin
 
Регистрация: 03.10.2005
Адрес: Санкт-Петербург
Возраст: 38
Сообщений: 4,916
Байк: Кобра
Отправить сообщение для ostin с помощью ICQ
ostin вне форума
Цитата:
Сообщение от KOSHMAR Посмотреть сообщение
Думаю нет смысла пилить втулку за 4700.Выход конечно есть.
1)раздвинуть перья и запихать туда втулку с улитками(если ось в дропах на 50-60% осталась можно смело катать)
Нельзя раздвигать перья. Это уменьшит срок службы рамы процентов на 80%.

зы
на втулках ZHI продуманы спец. шайбы. Не нужны улитки - поставил шайбы, если нужны - снял их и поставил улиты. Очень четкая задумка.
Цитата
Непрочитано 12.12.2010, 15:02   # 9
 
Аватар для Arrt
 
Регистрация: 24.10.2003
Адрес: СПб
Возраст: 40
Сообщений: 990
Байк: 20" & 26"
Отправить сообщение для Arrt с помощью ICQ
Arrt вне форума
Всем спасибо!
Наверное, буду заморачиваться в вытачиванием и т.п.
Цитата
Непрочитано 12.12.2010, 16:29   # 10
 
Аватар для Barm_NK
 
Регистрация: 23.10.2006
Адрес: Москва, Щукино
Возраст: 36
Сообщений: 3,440
Записей в дневнике: 45
Байк: 24"
Отправить сообщение для Barm_NK с помощью ICQ
Barm_NK вне форума
Цитата:
Сообщение от KOSHMAR Посмотреть сообщение
Один минус шайбы весят дохрена,но думаю тут это неважно.
Чего?))) А ну да, на 2 грамма тяжелее)
Цитата
Гор. дропы 135 мм и натяжение цепи... | by Arrt
Ответить


Ваши права в разделе
Вы не можете создавать новые темы
Вы не можете отвечать в темах
Вы не можете прикреплять вложения
Вы не можете редактировать свои сообщения

BB коды Вкл.
Смайлы Вкл.
[IMG] код Вкл.
HTML код Выкл.

Быстрый переход


Часовой пояс GMT +4, время: 11:58.


Powered by vBulletin® Version 3.8.4
Copyright ©2000 - 2026, Jelsoft Enterprises Ltd. Перевод: zCarot