Мастерская Сломал детальку? Или придумал, как починить другую? Пиши сюда!
Ответить
Перейти к новому Перейти к новому   Опции темы Опции просмотра
RB design - точим поршень с пыльником | by kamez
Непрочитано 09.01.2006, 04:09   # 1
 
Аватар для kamez
 
Регистрация: 19.04.2005
Адрес: перебрался в Москву :)
Возраст: 35
Сообщений: 884
Байк: в процессе сбора
kamez вне форума
По умолчанию RB design - точим поршень с пыльником
больная тема. сколько уже решений было... вот подумал - можно ж вытачить поршень у токаря с двумя сальниками и пыльником. а можно и с тремя сальниками. пыльник можно снять с магуровской ручки.

просто только что делать было нечево и решил разобрать свою старую ручку маги 04. ни разу не видел как она устроена. вытащил поршень, покрутил его в руках. посмотрел все темы на форуме про эти сраные сальники. пришла в голову эта мысль. надеюсь в этом месяце купить ручку RB. тогда и сделаю чертёж поршня. вывешу короче сюда. сделаю наверное из титана.

может кто нить думал о подобном. кто нить так делал?
Цитата
Непрочитано 09.01.2006, 05:00   # 2
 
Аватар для Volodik
 
Регистрация: 17.06.2003
Адрес: www.echobike.ru
Возраст: 39
Сообщений: 1,393
Байк: Cannondale chase 2006
Отправить сообщение для Volodik с помощью ICQ
Volodik вне форума
По умолчанию Re: RB design - точим поршень с пыльником
Цитата:
Сообщение от kamez
сделаю наверное из титана.
он будет царапать цилиндр.
жёсткий пластик оптимально...
и дело не в поршне а именно в цилиндре
на цилиндре появляются насечки и сальник неплотно прилегает.
Цитата
Непрочитано 09.01.2006, 11:06   # 3
 
Аватар для ZerO
 
Регистрация: 07.12.2003
Адрес: Москва(Латыркино(с))
Сообщений: 2,684
Отправить сообщение для ZerO с помощью ICQ
ZerO вне форума
насечки то появляются не просто так! а от грязи, которая попадает в ручку.. при катании - пыль с улицы, при падениях - земля, песок..
еще когда гринд делаешь, то могут туда опилки залететь(у мя так было) так что руль когда гриндите поворачивайте от попадания в ручку стружки (если гриндите на байке)..
а патом это все дерьмо начинает попадать в цилиндр и царапать стенки.. оттуда и протчеки.. так что господа главное там подчищать от всякого дерьма и ниче не прольется..
Цитата
Непрочитано 09.01.2006, 14:40   # 4
 
Аватар для kamez
 
Регистрация: 19.04.2005
Адрес: перебрался в Москву :)
Возраст: 35
Сообщений: 884
Байк: в процессе сбора
kamez вне форума
а если просто с обратной стороны от поршня положить какую нибуть ткань или вату, то поидее попадать не будет...
Цитата
Непрочитано 09.01.2006, 14:48   # 5
 
Аватар для MarcVinco
 
Регистрация: 21.05.2005
Адрес: Украина Одесса
Сообщений: 1,140
Отправить сообщение для MarcVinco с помощью ICQ
MarcVinco вне форума
гы чувак задумка очень путевая!
ток титан внатуре будет царапать цилиндр....если сделаешь такую вещь то респект тебе!
Цитата
Непрочитано 09.01.2006, 14:51   # 6
 
Аватар для kamez
 
Регистрация: 19.04.2005
Адрес: перебрался в Москву :)
Возраст: 35
Сообщений: 884
Байк: в процессе сбора
kamez вне форума
Цитата:
Сообщение от MarcVinco
гы чувак задумка очень путевая!
ток титан внатуре будет царапать цилиндр....если сделаешь такую вещь то респект тебе!
можно сальники по краям поршня расположить, так чтоб поршень не косался целиндра.
Цитата
Непрочитано 09.01.2006, 23:05   # 7
 
Аватар для Ura
 
Регистрация: 04.05.2005
Адрес: Санкт-Петербург
Возраст: 36
Сообщений: 420
Ura вне форума
Цитата:
Сообщение от kamez
Цитата:
Сообщение от MarcVinco
гы чувак задумка очень путевая!
ток титан внатуре будет царапать цилиндр....если сделаешь такую вещь то респект тебе!
можно сальники по краям поршня расположить, так чтоб поршень не косался целиндра.
я конечно могу ошибаться но вроде сальники мажно распологать на поршне как угодно там есть колечко такое черного цвета вот и оно защищает внутринние стенки от соприкосновения с поршнем.
Цитата
Непрочитано 09.01.2006, 23:47   # 8
 
Аватар для kamez
 
Регистрация: 19.04.2005
Адрес: перебрался в Москву :)
Возраст: 35
Сообщений: 884
Байк: в процессе сбора
kamez вне форума
Цитата:
Сообщение от Ura
Цитата:
Сообщение от kamez
Цитата:
Сообщение от MarcVinco
гы чувак задумка очень путевая!
ток титан внатуре будет царапать цилиндр....если сделаешь такую вещь то респект тебе!
можно сальники по краям поршня расположить, так чтоб поршень не косался целиндра.
я конечно могу ошибаться но вроде сальники мажно распологать на поршне как угодно там есть колечко такое черного цвета вот и оно защищает внутринние стенки от соприкосновения с поршнем.
это колечко и есть, ничто инное, как поршень...
Цитата
Непрочитано 10.01.2006, 13:21   # 9
 
Аватар для Антoн
 
Регистрация: 23.02.2005
Адрес: МО, Краснознаменск
Возраст: 37
Сообщений: 1,787
Байк: Echo Control
Отправить сообщение для Антoн с помощью ICQ
Антoн вне форума
мужики, а зачем руль гриндить?
Цитата
Непрочитано 10.01.2006, 15:07   # 10
 
Аватар для Ura
 
Регистрация: 04.05.2005
Адрес: Санкт-Петербург
Возраст: 36
Сообщений: 420
Ura вне форума
Цитата:
Сообщение от kamez
Цитата:
Сообщение от Ura
Цитата:
Сообщение от kamez
Цитата:
Сообщение от MarcVinco
гы чувак задумка очень путевая!
ток титан внатуре будет царапать цилиндр....если сделаешь такую вещь то респект тебе!
можно сальники по краям поршня расположить, так чтоб поршень не косался целиндра.
я конечно могу ошибаться но вроде сальники мажно распологать на поршне как угодно там есть колечко такое черного цвета вот и оно защищает внутринние стенки от соприкосновения с поршнем.
это колечко и есть, ничто инное, как поршень...
ну ты не правильно меня понял я говорил о резиновом маленьком колечке уж поршень то где я знаю
Цитата
Непрочитано 10.01.2006, 18:13   # 11
 
Аватар для kamez
 
Регистрация: 19.04.2005
Адрес: перебрался в Москву :)
Возраст: 35
Сообщений: 884
Байк: в процессе сбора
kamez вне форума
мля. опечатался. это колечко сальником называется.
Цитата
Непрочитано 10.01.2006, 19:20   # 12
 
Аватар для Ura
 
Регистрация: 04.05.2005
Адрес: Санкт-Петербург
Возраст: 36
Сообщений: 420
Ura вне форума
Цитата:
Сообщение от kamez
мля. опечатался. это колечко сальником называется.
мля там их два сам сальник и колечко резинка на середине поршня одета а сальник с внешней староны поршня.
Цитата
Непрочитано 10.01.2006, 20:29   # 13
 
Аватар для Fedorook
 
Регистрация: 04.12.2005
Адрес: Москва, район НаКуркино
Сообщений: 1,106
Отправить сообщение для Fedorook с помощью ICQ
Fedorook вне форума
Цитата:
Сообщение от Тоша
мужики, а зачем руль гриндить?
ну это...
чтоб грипсы не использовать : )
просто кому-то лень запятые порасставлять
Цитата
Непрочитано 10.01.2006, 21:02   # 14
 
Аватар для АлёхА
 
Регистрация: 21.06.2004
Адрес: Зеленоград
Возраст: 38
Сообщений: 68
Байк: старк-тт
Отправить сообщение для АлёхА с помощью ICQ
АлёхА вне форума
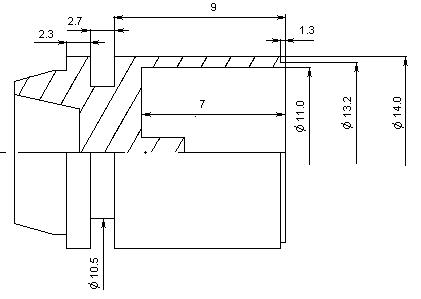
и куда там второй сальник ставить то?
может быть, конечно внутренню полость в поршне со стороны гидролинии делали для уменьшения веса.
Миниатюры
Нажмите на изображение для увеличения
Название: porshen_214.jpg
Просмотров: 1553
Размер:	14.0 Кб
ID:	7581  
Цитата
Непрочитано 10.01.2006, 22:12   # 15
 
Аватар для kamez
 
Регистрация: 19.04.2005
Адрес: перебрался в Москву :)
Возраст: 35
Сообщений: 884
Байк: в процессе сбора
kamez вне форума
Цитата:
Сообщение от Ura
Цитата:
Сообщение от kamez
мля. опечатался. это колечко сальником называется.
мля там их два сам сальник и колечко резинка на середине поршня одета а сальник с внешней староны поршня.
ааа... ты об этом. ну это пыльником зовётся. чтоб грязь не попадала. именно в этом фишка RB - ручек - там этого пыльника нет.
Цитата
Непрочитано 16.01.2006, 08:14   # 16
Shlisselburg Style
 
Аватар для Grisha_T34
 
Регистрация: 10.01.2003
Адрес: Шлиссельбург> Санкт-Петербург> Нарва
Возраст: 39
Сообщений: 4,394
Записей в дневнике: 22
Байк: Adamant A1 2006 Short\Chris King Pink\XTR\Middleburn
Отправить сообщение для Grisha_T34 с помощью ICQ
Grisha_T34 вне форума
Интересное решение!!!
А чертеж не по ГОСТам!!!
Цитата
Непрочитано 16.01.2006, 15:59   # 17
 
Аватар для АлёхА
 
Регистрация: 21.06.2004
Адрес: Зеленоград
Возраст: 38
Сообщений: 68
Байк: старк-тт
Отправить сообщение для АлёхА с помощью ICQ
АлёхА вне форума
Цитата:
Сообщение от Grisha_T34
А чертеж не по ГОСТам!!!
paint не знает ГОСТов
Цитата
RB design - точим поршень с пыльником | by kamez
Ответить


Ваши права в разделе
Вы не можете создавать новые темы
Вы не можете отвечать в темах
Вы не можете прикреплять вложения
Вы не можете редактировать свои сообщения

BB коды Вкл.
Смайлы Вкл.
[IMG] код Вкл.
HTML код Выкл.

Быстрый переход


Часовой пояс GMT +4, время: 09:18.


Powered by vBulletin® Version 3.8.4
Copyright ©2000 - 2025, Jelsoft Enterprises Ltd. Перевод: zCarot