Мастерская Сломал детальку? Или придумал, как починить другую? Пиши сюда!
Ответить
Перейти к новому Перейти к новому   Опции темы Опции просмотра
Переходник 4 болта - Ви | by Dimon
Непрочитано 23.08.2004, 22:51   # 1
 
Аватар для Dimon
 
Регистрация: 08.12.2002
Адрес: Москва, Ясенево
Сообщений: 1,733
Отправить сообщение для Dimon с помощью ICQ Отправить сообщение для Dimon с помощью Yahoo
Dimon вне форума
По умолчанию Переходник 4 болта - Ви
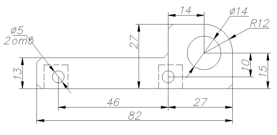
для изготовления переходника вам потребуется дюралевая пластинка толщеной около 6 мм

из этой пластники надо сделать деталь по четежу
собственно там все просто, но некоторые моменты нуждаются в коментариях
итак

1) отверстия диаметром 5мм для установки на крепления, лучше рассверлить как-бы вдоль переходника, т.е. создать возможность регулировки самого переходника относительно рамы, так же при этом будет проще установить, если вдруг вы ошиблись на несколько мм при сверлении отверстия

2)размеры 14 и 15 или 14 и 10 т.е. те которые определяют положение шпинька относительно рамы

размер 14 стоит постараться сделать минимальным т.е. при возможность его лучше уменьшить, но увеличивать его ни как нельзя

размер 10 или 15 в конечном итоге определяет расстояние межда шпиньками, и поэтому его стоит изменять
например при широком ободе его стоит уменьшить, так же его стоит уменьшить если у вас тормоза с паралениым ходом колодок.

3) ну и собственно отверстие диаметром 14мм его размер зависит от того где вы добудите шпиньки, я свои отрезал от старой вилки (фотка), если кто-то задумает выкрутить из рамы то можно нарезать резьбу в переходнике и вкрутить его туда.
Миниатюры
Нажмите на изображение для увеличения
Название: 4-vi_adapter.jpg
Просмотров: 2997
Размер:	34.6 Кб
ID:	44   Нажмите на изображение для увеличения
Название: ustanovka.jpg
Просмотров: 2922
Размер:	30.5 Кб
ID:	45   Нажмите на изображение для увеличения
Название: vilka.jpg
Просмотров: 2946
Размер:	56.9 Кб
ID:	46  
Цитата
Непрочитано 24.08.2004, 11:19   # 2
 
Аватар для Drew
 
Регистрация: 12.04.2004
Адрес: spirit world, ЮАО
Сообщений: 1,196
Отправить сообщение для Drew с помощью ICQ
Drew вне форума
ннндааа... это для фанатов вии-брейков? вообще нехило добавит веса но штука интересная если сам переходник делать в виде гарилы, можно обойтись без бустера сверху а может и не можно...
Цитата
Непрочитано 24.08.2004, 21:31   # 3
 
Аватар для Dimon
 
Регистрация: 08.12.2002
Адрес: Москва, Ясенево
Сообщений: 1,733
Отправить сообщение для Dimon с помощью ICQ Отправить сообщение для Dimon с помощью Yahoo
Dimon вне форума
насчет веса не уверен...

а сделал тк ВООБЩЕ НЕТ ДЕНЕГ, а уж тем более на магуру
вот может к концу сентября заработаю и куплю магуру, НО ждать месяц я не готов

на тарк ТТ вниз бустер установить не удастся, тк он упрется в верхную трубу, а вообще с бустром конечно лучше, но мне и так хорошо
Цитата
Непрочитано 24.02.2005, 22:59   # 4
 
Аватар для HuKuTa
 
Регистрация: 11.02.2005
Сообщений: 28
Отправить сообщение для HuKuTa с помощью ICQ
HuKuTa вне форума
Из-за КАТАСТРОФИЧЕСКОЙ нехватки денег мне пришлось прибегнуть к вытачиванию этой хитрой железяки, которая позволяет ставить обычный V-Brake на крепление под 4 болта.

Опирался я в этой нелёгкой работе на чертежи Dimona, которые откопал на форуме biketrials.ru.

Переходник получился немного иной, нежели у Dimona. В любом случае, я благодарен ему за проведенную работу . Очень помогло.

Чтобы выточить данную железяку, я использовал дюралевую пластину толщиной 10 мм. Чем толще, тем прочнее и ощутимее .

В варианте Dimona было предложено срезать крепления под V-Brake со старой вилки либо найти направляющие для установки лапок этих тормозов. Я пошел по 2-му пути. Как раз для этих направляющих и нужна резьба на 10.


Прорезь длинной 30 мм и глубиной 3 мм необходима для того, чтобы ухо, с помощью которого крепится колодка к лапке V-Brake, не упиралось в переходник.

(*) - Места расположения этих отверстий (предназначены для фиксации штырька на V-Brake) я выяснил опытным путем. Т.е. установил тормоз, провернул его по оси и на появившемся радиусе наметил места, где должны быть данные отверстия. Они 2-3 мм в диаметре.

P.S.
Если кто-то будет делать данное устройство, то старайтесь все перемерЯть и подгонять под конкретный тормоз. Лучше всего вырезать эту фиговину из толсого картона (как это делал я) или из фанеры, а потом уже заниматься железом.

"чертёж"
Данное художественное произведение было выполнено на полу при помощи коробки от диска и ручки... Не судите строго . Вроде понятно всё.

Выкладываю модернизированный вариант хитрого устройства.

Желаю удачи!!!
Миниатюры
Нажмите на изображение для увеличения
Название: adapter_175.jpg
Просмотров: 2543
Размер:	22.4 Кб
ID:	1661   Нажмите на изображение для увеличения
Название: __________________209.jpg
Просмотров: 2470
Размер:	70.3 Кб
ID:	1676  
Цитата
Непрочитано 20.10.2005, 00:55   # 5
 
Аватар для Lagytenok
 
Регистрация: 31.07.2005
Адрес: Минск
Сообщений: 24
Отправить сообщение для Lagytenok с помощью ICQ
Lagytenok вне форума
Да, а еще есть вот такой переходник
Миниатюры
Нажмите на изображение для увеличения
Название: _______________357.jpg
Просмотров: 2200
Размер:	71.5 Кб
ID:	5671  
Цитата
Непрочитано 20.10.2005, 20:12   # 6
 
Аватар для Lagytenok
 
Регистрация: 31.07.2005
Адрес: Минск
Сообщений: 24
Отправить сообщение для Lagytenok с помощью ICQ
Lagytenok вне форума
Насчет резьбы под М10, надо оговорить, что там мелкий шаг этой резьбы, и походу 1,25, но я не уверен, а вдруг там дюймовая резьба?
Цитата
Непрочитано 22.10.2005, 02:09   # 7
 
Аватар для Lagytenok
 
Регистрация: 31.07.2005
Адрес: Минск
Сообщений: 24
Отправить сообщение для Lagytenok с помощью ICQ
Lagytenok вне форума
Вобщем предыдущий рисунок, это всего лишь мое извращение в КОМПАС 3D (естественно ECHO такую фигню не выпускает )
но реально по этой модели мне сделали эти переходники, ниже следуют их фотки, чертеж и даже кому надо - файл чертежа в автокаде:
Миниатюры
Нажмите на изображение для увеличения
Название: 1_669.jpg
Просмотров: 2129
Размер:	95.8 Кб
ID:	5773  
Изображения
Тип файла: png ______________151.png (13.7 Кб, 2150 просмотров)
Вложения
Тип файла: zip ___________v-brake_507.zip (27.2 Кб, 376 просмотров)
Цитата
Непрочитано 23.10.2005, 14:39   # 8
 
Аватар для adolfs
 
Регистрация: 02.10.2005
Адрес: Латвия
Сообщений: 31
adolfs вне форума
Spacibo :Lagytenok: za chertezhi...mne oni kokraz ponadobiljis,skoro budu delats takoj zhe perehodnik
preljesno :P
Цитата
Непрочитано 23.10.2005, 14:53   # 9
 
Аватар для Lagytenok
 
Регистрация: 31.07.2005
Адрес: Минск
Сообщений: 24
Отправить сообщение для Lagytenok с помощью ICQ
Lagytenok вне форума
собстнна планки уже на месте:
Миниатюры
Нажмите на изображение для увеличения
Название: __________2_967.jpg
Просмотров: 2081
Размер:	24.4 Кб
ID:	5801   Нажмите на изображение для увеличения
Название: __________1_457.jpg
Просмотров: 2094
Размер:	38.6 Кб
ID:	5802  
Цитата
Переходник 4 болта - Ви | by Dimon
Ответить


Ваши права в разделе
Вы не можете создавать новые темы
Вы не можете отвечать в темах
Вы не можете прикреплять вложения
Вы не можете редактировать свои сообщения

BB коды Вкл.
Смайлы Вкл.
[IMG] код Вкл.
HTML код Выкл.

Быстрый переход


Часовой пояс GMT +4, время: 17:01.


Powered by vBulletin® Version 3.8.4
Copyright ©2000 - 2026, Jelsoft Enterprises Ltd. Перевод: zCarot